滚花规格

滚花(gbt 6403.3—1986)
图片尺寸821x617
无忧文档 所有分类 工程科技 机械/仪表 滚花标准 3滚花的尺寸规格按
图片尺寸930x1376
滚花高螺母gb806
图片尺寸1875x2396
滚花标准知识
图片尺寸920x1303
中国区总代理美国accu压花轮ge30网纹滚花轮1564手机螺母专用
图片尺寸700x941
f型滚花通孔中间带槽嵌入螺母din16903
图片尺寸750x696
进口网纹gegv美国accu滚花轮压花轮求购网纹压花轮gv美国滚花刀
图片尺寸700x724
m25m4m5m6m8m10不锈钢304高头滚花螺丝钉gb834手拧大头台阶双层天卓m
图片尺寸928x662
供应e g握紧滚花旋钮价格,握紧滚花旋钮参数din6303/din6303-ni
图片尺寸532x532
类别 滚花螺母 标准编号 gb/t 809-1988 加工定制 是 螺纹规格 公制
图片尺寸750x940
如何在零件外圆表面进行滚花处理滚花是如何加工的
图片尺寸750x453
8级滚花螺栓 及非标定制 lsf 1508 规格:m8,材质:35k,颜色:镀彩
图片尺寸750x696
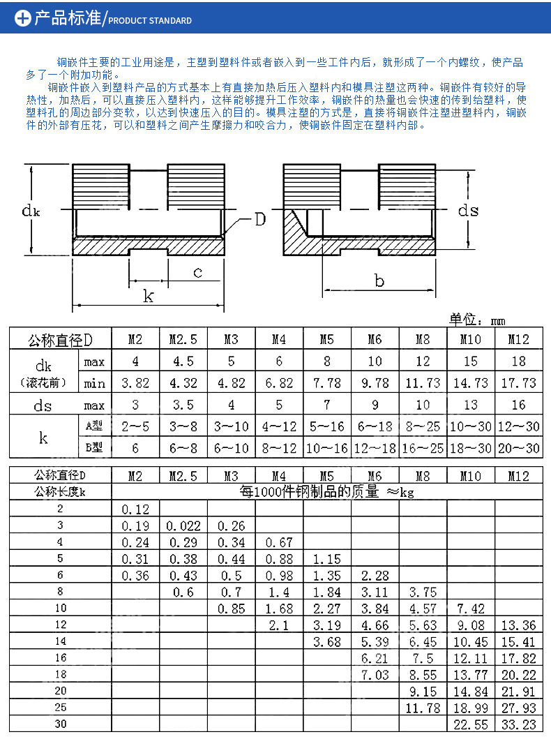
注塑铜花螺母gb809-h59 镶嵌件滚花螺母a型 通孔 b型 盲孔预埋件
图片尺寸800x898
din46486滚花指旋螺钉din46486
图片尺寸600x593
标准编号 gb/t809 样品或现货 现货 类别 滚花螺母 螺纹规格 m3
图片尺寸790x802
滚花标准 知识
图片尺寸620x319
gb809铜嵌件注塑铜螺母铜预埋件滚花铜镶嵌件通孔螺帽m8 外径10mm
图片尺寸790x1069
adonia 车花刀,滚花刀,车花轮,滚花轮,车花刀架图片_3
图片尺寸724x1024
(高品质)0.8 0.9 1.0 1.2 1.5 2.0左右斜纹/直纹滚花轮 /特价(图)
图片尺寸711x430
塑料滚花头拇指螺丝
图片尺寸2441x1701