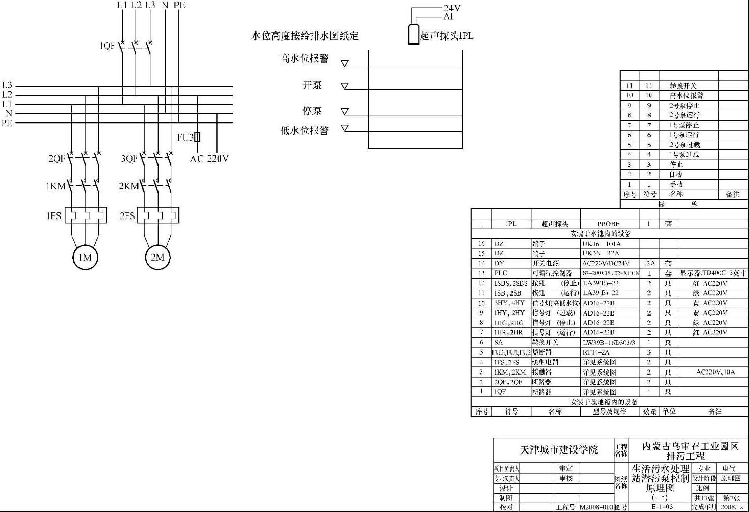
潜污泵控制箱原理图

17,污水泵一备一用手动和自动控制电路(电路图,实物仿真图)
图片尺寸1728x812
潜水机自动控制箱接线图
图片尺寸1012x686
排污泵是如何实现控制的
图片尺寸640x469
潜水污水泵手自动控制电气图
图片尺寸629x1237
污水泵两泵控制线路
图片尺寸1623x2200
水位控制器直接启停水泵的电动机380v控制电路
图片尺寸1152x800
走过路过的大侠请拔刀相助——污水泵的控制电路图
图片尺寸628x450
请教如图电气控制原理
图片尺寸2475x3502
水泵控制原理图
图片尺寸1126x746
图5-67 潜污泵控制电路
图片尺寸1460x998
相关主题 你可能喜欢 接线方式 水泵结构图 接线方法 控制电路原理
图片尺寸1632x2119
污水泵控制箱的接线及原理
图片尺寸590x447
最简单的排污泵控制箱电路图 中联泵业多种产品适合不同输送介质
图片尺寸1057x724
常用于排污泵控制.功率根据
图片尺寸3453x2407
潜污泵一用一备控制原理图,多水位控制(简易版)
图片尺寸610x420
排污泵控制箱原理图
图片尺寸325x268
图5-38为潜污泵甲,乙,丙三地正反转的控制电路.
图片尺寸1152x904
潜水泵自动控制电路图
图片尺寸580x459
潜污泵只需高低位控制,中位是画蛇添足.
图片尺寸913x642
排污泵控制柜线路图
图片尺寸800x488