炮塔铣床结构图

炮塔铣床零部件分解图,让您的维修无后顾之忧!
图片尺寸2038x2602
4h炮塔铣床|5h炮塔铣床|高速铣床|万能摇臂铣床/厂家热销北京机床
图片尺寸528x519
炮塔铣床技术参数
图片尺寸560x800
炮塔铣床参数配置及生产工艺图,希望对您有帮助
图片尺寸684x1000
cn108098363a_一种立式炮塔铣床在审
图片尺寸1535x1481
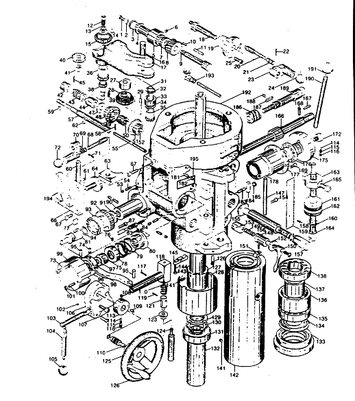
炮塔铣床零部件分解图,让您的维修无后顾之忧!
图片尺寸518x585
炮塔铣床零部件分解图,让您的维修无后顾之忧!
图片尺寸716x731
一种立式炮塔铣床制造技术
图片尺寸1000x959
台正立式炮塔铣床mx6hg
图片尺寸720x774
旺瞬立式炮塔铣床ysm-18sfm
图片尺寸624x338
原创台湾炮塔铣床厂家原装图纸大曝光
图片尺寸620x654
入手美国炮塔铣床201275日31楼更新自制炮桶压紧手柄
图片尺寸673x850
一种炮塔铣床的制作方法
图片尺寸699x1000
m4号台湾立式精密炮塔铣床
图片尺寸750x605
cn206567583u_一种立式炮塔铣床失效
图片尺寸375x285
原创台湾炮塔铣床厂家原装图纸大曝光
图片尺寸620x761
一种具有插补功能的炮塔铣床进给机构的制作方法
图片尺寸973x1000
新款台湾原图纸nt40立卧式炮塔铣床五金通用全新数显铣床质.
图片尺寸790x835
台正炮塔铣台湾原装部件炮塔铣床nt30铣头效率高铣削动力头炮塔铣床铣
图片尺寸790x4530
x6336ws 万能 摇臂铣床 炮塔铣床
图片尺寸805x1074