热氟化霜阀安装图

遵义冷库安装冷风机热氟融霜控制系统
图片尺寸683x800
热氟化霜阀
图片尺寸800x600
热氟除霜阀门-冷库除霜-东立冷冻
图片尺寸1246x706
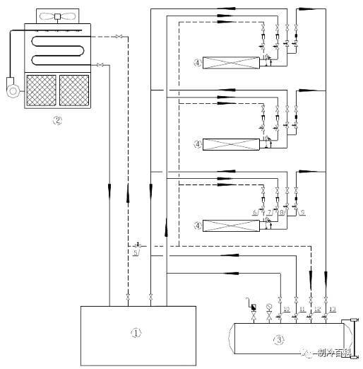
直膨胀冷风机工作热氟除霜
图片尺寸514x522
气体的液化或固化装置的制造及其应用技术本实用新型的一种热氟融霜阀
图片尺寸1000x701
冷库冷风机热氟除霜|化霜|蒸发器|电磁阀|冷凝器|压缩机|制冷剂|电
图片尺寸554x626
冷库铝排管热氟除霜一键转换装置
图片尺寸920x1302
电子膨胀阀热气化霜系统压缩冷凝机组的制作方法
图片尺寸841x1000
②盘管化霜;①提供一个虚拟的负荷;主要作用:2,热气旁通的作用与优点
图片尺寸810x491
热氟融霜
图片尺寸700x436
热氟化霜效果图
图片尺寸1080x1440
制冷系统中关于冷库化霜你学会了多少
图片尺寸4000x2250
一种压差式热氟化霜装置的制作方法
图片尺寸1000x702
一种压差式热氟化霜装置
图片尺寸1000x702
一种空调机组及其除湿热氟化霜控制方法技术
图片尺寸1000x689
热氟化霜阀
图片尺寸600x800
米家自然风双出风3匹空调拆机 小米全系自研 配置高
图片尺寸975x1209
热气除霜冷冻系统
图片尺寸600x484
zzyp-16b自力式压力调节阀
图片尺寸750x429
厂家供应高品质热氟除霜设备 排管除霜 冷库除霜
图片尺寸750x750