熄火三线电磁阀电路图

有关电磁阀的控制电路
图片尺寸720x720
设计一个控制电路,一个电磁阀运行4分钟停止
图片尺寸450x406
分享电动阀电气图资料下载
图片尺寸560x395
atos电磁阀接线图
图片尺寸590x252
挖掘机维修资料电器系统熄火电磁阀启动电磁阀合流电池阀等工作原理
图片尺寸1280x905
电动三通阀 微型电动三通球阀 三线控制常开常闭电动三通阀门批发
图片尺寸790x465
4l60e电磁阀控制电路图
图片尺寸920x690
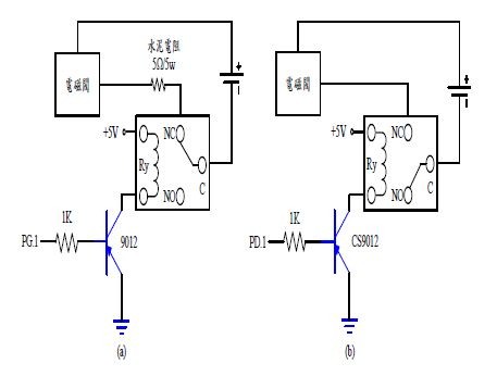
图2 : 电磁阀的控制电路
图片尺寸457x346
熄火器接线图
图片尺寸600x225
电动不锈钢蝶阀,高压电磁阀,高温电磁阀,定时排水阀,单卡修补器,双卡
图片尺寸528x655
由单片机控制继电器控制电磁阀的简图
图片尺寸1038x744
电磁阀电磁阀应怎样接线来控制气缸的上落呢?
图片尺寸546x704
在发动机达到正常温度后,pcm根据 tp 的开度大小,指令 evap 电磁阀
图片尺寸315x305
电磁阀接线图与原理分析
图片尺寸306x315
电磁阀控制电路
图片尺寸1349x381
大宇dx230lc挖掘机发动机熄火
图片尺寸874x405
电磁阀控制电路的制作方法
图片尺寸1000x587
继电器控制电磁阀气缸问题
图片尺寸640x640
制作一个电磁阀控制电路-电子发烧友网
图片尺寸482x254
我想实现一个这样的功能,三个电磁阀,一个马达,任意一个电磁阀开,马达
图片尺寸2368x4208