燃烧机伺服电机调节图

西门子伺服马达siemens - 上海祈捷机电设备有限公司
图片尺寸469x721
能源/化工 变相真空炉结构原理ppt 结构零件动画设计, 燃烧器伺服电机
图片尺寸1080x810
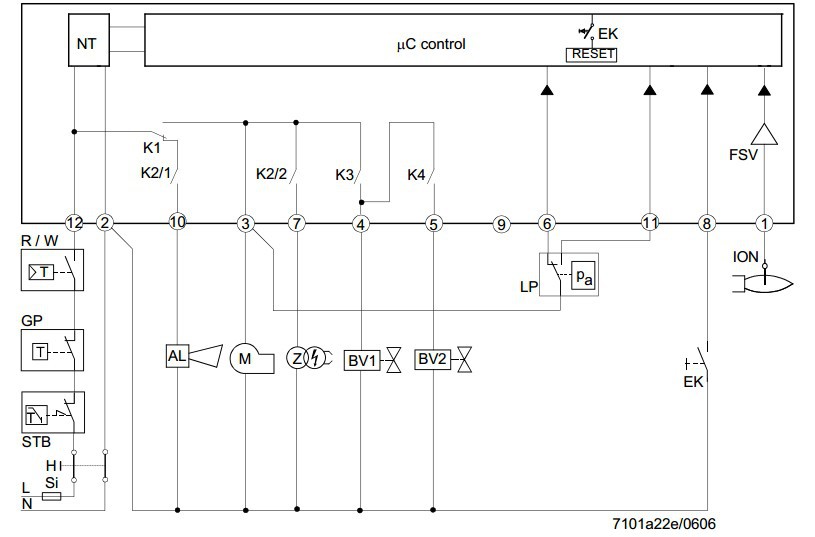
霍科德ifs258燃烧机烧嘴自动控制器
图片尺寸635x631
cn110939518a_一种发动机燃油伺服控制调节系统在审
图片尺寸2133x1953
lks210-10(b1-5s1) | 伺服马达/风门执行器 riello燃烧器专用
图片尺寸960x960
锅炉燃烧自动控制系统设计
图片尺寸861x510
寻找高效,节能的燃烧机,让您的能源利用更加经济,环保.燃烧效 - 抖音
图片尺寸4032x3024
siemens 伺服马达 sqm10.16502 serie03 220-240v 50hz燃烧器专用
图片尺寸790x820
燃烧机伺服电机西门子sqn70.424a20sqn70.664a20 son70.624a20
图片尺寸1920x1920
riello利雅路 双段火gulliver rs5d燃气燃烧器 29万大卡燃烧机
图片尺寸799x802
燃烧机配件|燃烧控制器bec1.230/g2替代西门子lme21.230c2
图片尺寸815x537
rl34/rl44/rl38/rl50/rl64利雅路riello燃烧机 rl34 t.
图片尺寸1634x1920
燃烧器控制器
图片尺寸1764x2456
cn111752214a_伺服控制装置
图片尺寸2343x1707
20万大卡单段全自动点火环保油甲醇燃烧机燃烧
图片尺寸600x490
博世me744发动机电控燃油喷射系统工作原理
图片尺寸500x375
控制解决方案1 工业燃烧器-烧嘴 产品分类 燃烧器|燃烧机|利雅路燃烧
图片尺寸2143x3184
控制解决方案1 工业燃烧器-烧嘴 产品分类 燃烧器|燃烧机|利雅路燃烧
图片尺寸600x430
利雅路燃气燃烧机风门执行机构如何调整角度
图片尺寸1019x608
伺服驱动器原理图详解pdf
图片尺寸1212x849