独立基础设计图

独立基础图纸与施工介绍,用2000字让你避开施工队忽悠
图片尺寸2000x1798
独立基础图纸与施工介绍,用2000字让你避开施工队忽悠
图片尺寸2000x1783
独立基础图纸与施工介绍,用2000字让你避开施工队忽悠
图片尺寸1242x1459
独立基础大样
图片尺寸1648x1165
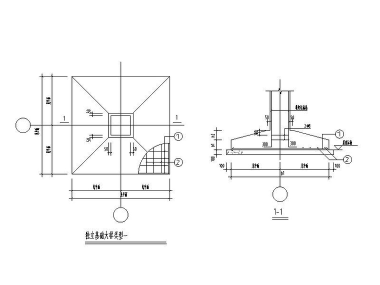
独立基础大样类型
图片尺寸760x570
独立基础详图
图片尺寸666x502
多柱放坡独立基础以及暗柱的剖面图如何绘制能和该截图相同柱每边伸出
图片尺寸990x693
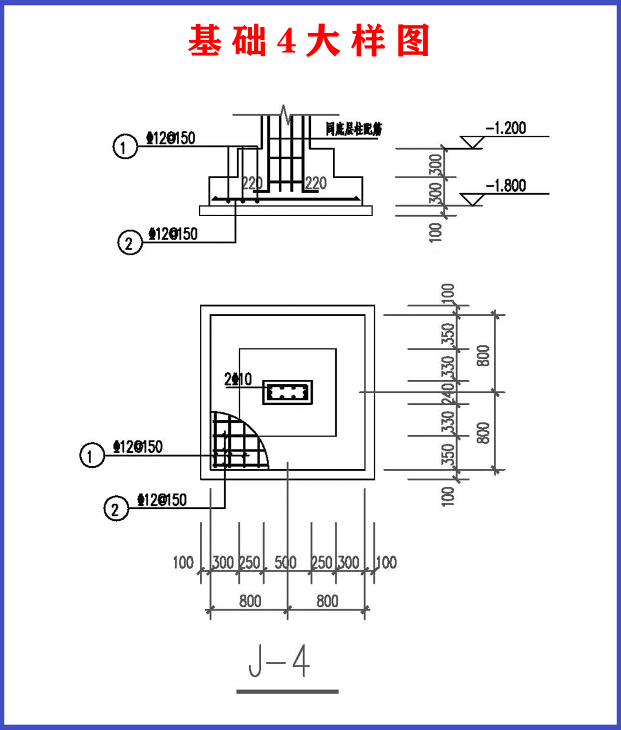
独立基础图纸与施工介绍,用2000字让你避开施工队忽悠
图片尺寸2000x951
请问下这个独立基础怎么画详细点谢谢
图片尺寸528x843
某gl2独立基础节点构造详图-混凝土节点详图-筑龙结构设计论坛
图片尺寸762x719
独立基础图独立基础剖面图
图片尺寸521x751
某别墅独立基础全套图纸-混凝土结构施工图-筑龙结构设计论坛
图片尺寸772x549
独立基础设计
图片尺寸1020x1440
某现浇独立基础节点构造详图(二)-混凝土节点详图-筑龙结构设计论坛
图片尺寸713x681
第七期独立基础平法施工图的表示方法
图片尺寸600x765
某柱下独立基础构造详图
图片尺寸1440x1020
请问此独立基础是否用参数化单元带短柱独立基础定义
图片尺寸827x570
独立基础的平法识图
图片尺寸880x880
某钢结构厂房独立基础施工节点构造详图-混凝土节点详图-筑龙结构设计
图片尺寸1046x743
独立基础图纸与施工介绍,用2000字让你避开施工队忽悠
图片尺寸1945x1709