玻璃门电插锁接线图

zkat/兆控t6电子门禁系统办公室玻璃门木门电插锁小区铁门磁力锁套装
图片尺寸790x885
下面讲如何接电机锁,电磁锁相比电磁锁接线复杂些,电机锁接门禁电源有
图片尺寸749x763
电插锁接线
图片尺寸800x602
两台s02e 同时控制一个门,两把电插锁的接线说明
图片尺寸1273x1778
com )专注 门禁电插锁生产厂家-电插锁明装/五线_玻璃门/上下无框
图片尺寸647x611
电控锁接线图
图片尺寸1200x848
门禁机接线图,电插锁接线图,电磁锁接线图,指纹门禁接接线图,指纹门禁
图片尺寸790x657
定制室外防水指纹门禁一体机套装刷卡密码玻璃门铁门磁力锁电插锁1号
图片尺寸790x901
玻璃门电插锁控制器(上夹式)使用说明书
图片尺寸1024x628
门禁电锁如何接线
图片尺寸600x424
1088s电插锁接线图
图片尺寸750x475
双开玻璃门 无框 指纹门禁考勤系统 指纹密码门禁套装 联网指纹机
图片尺寸750x665
双电动闭门器双门电吸锁单门门禁门铃开门按键开门按键
图片尺寸587x687
二线电插锁 单门电锁 玻璃门锁 门禁阳极锁 门禁配件
图片尺寸640x359
门禁电源接线图
图片尺寸480x640
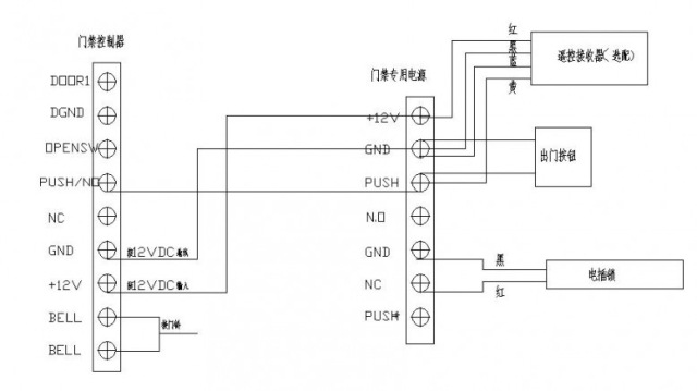
门禁控制器接线图接线方法
图片尺寸480x640
电控锁1073接线图
图片尺寸387x535
玻璃升降和电动门锁
图片尺寸450x300
门禁接线图优秀课件
图片尺寸920x636
玻璃门木门暗装电插锁家用两芯12v常温防断磁门禁电锁电控锁【图片
图片尺寸750x271