用74161设计减法计数器

使用multisim软件利用74ls161芯片设计60秒计数器
图片尺寸650x488
求 改进 六十进制减法计数器
图片尺寸1122x580
用74161实现八进制时序电路
图片尺寸327x201
异步计数器
图片尺寸593x453
74161实现60进制计数器原理图
图片尺寸890x1146
这是一个60进制的减法计数器
图片尺寸600x406
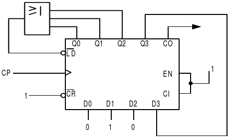
74161是4位二进制同步计数器,下图是利用74161构成的计数器,试分析该
图片尺寸461x277
一道关于数电74161计数器的题,求大神,给出具体过程,谢谢
图片尺寸1134x603
利用计数到6时,即0110,产生 一个复位信号,加到复位端,使计数器回0
图片尺寸739x631
用一片74161设计0123456bcd的计数器
图片尺寸567x572
位十进制可加减计数器电路.doc
图片尺寸794x1123
用ua741做的减法器电路1
图片尺寸658x386
74161设计二十进制计数器
图片尺寸700x392
计数器74161构成电路图如下,该电路的逻辑功能是?
图片尺寸600x392
减法器(741,1458)-电路图-aet-中国科技核心期刊-最丰富的电子设计
图片尺寸1697x511
74ls161设计60进制计数器数电课程设计
图片尺寸511x432
模6计数器电路图例
图片尺寸442x631
器件实例:二-五-十进制异步计数器74ls290三,任意进制计数器的构成
图片尺寸655x444
怎么用74ls192和与非门设计一个减法计数器,实现从7到2的减法循环计数
图片尺寸1295x638
关于74161异步计数器的问题,请工科解答一下这个数字电路的题目,高
图片尺寸394x600