电动卷闸门电路图原理

电动卷闸门控制原理图.pdf 5页
图片尺寸860x1218
谁知道,单相卷闸门的电路图?麻烦告诉我,谢谢.
图片尺寸962x609
四个继电器控制的单相卷闸门电路图卷闸门控制电路
图片尺寸635x501
卷帘门电机控制电路原理图
图片尺寸970x641
卷帘门自动起升电路
图片尺寸980x956
卷帘门电机刹车原理图 (第1页)
图片尺寸500x310
文档下载 所有分类 工程科技 电子/电路 > 电动卷闸门控制原理图
图片尺寸1145x849
cn212317827u_一种直流卷闸门机电路有效
图片尺寸566x639
卷帘门原理电路图
图片尺寸920x1302
cn202509878u_带自动上锁功能的遥控电动卷帘门直流电机控制电路失效
图片尺寸1000x674
一种三相卷帘门用电机正反转控制电路
图片尺寸1528x1130
卷帘门电机控制电路原理图
图片尺寸920x650
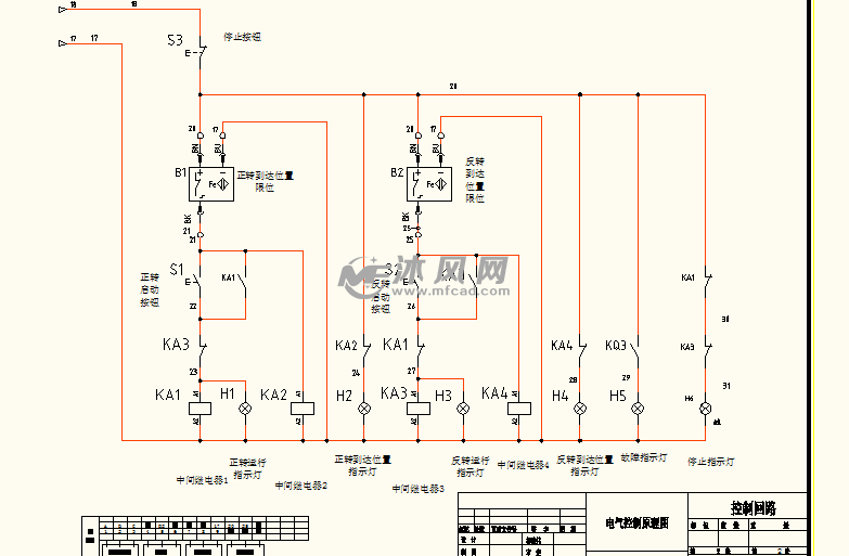
电动卷帘门正反转控制电路图 - 电气控制原理图纸 - 沐风图纸
图片尺寸783x513
卷帘门原理电路图
图片尺寸800x1132
卷帘门控制原理
图片尺寸708x531
制动控制原理图工作原理:当按住手动按键开关的开门键时,交流接触器km
图片尺寸557x542
卷闸门的配置系统哪些组成
图片尺寸901x597
无忧文档 所有分类 工程科技 电子/电路 电动门原理ppt 第9页 (共13页
图片尺寸1080x810
电动卷帘门正反转控制电路图dwg格式
图片尺寸767x561
拍个照片我给你解答 追问 电路乱了 回答 怎么个乱法,电动卷门根本就
图片尺寸1024x765