电动机延时启动电路图

25,零基础学电工-按下停止按钮电动机延时停止电路(仿真图)
图片尺寸640x480
求电动机5秒延时启动电路图和原理.
图片尺寸444x529
延时开启——正转——停止——延时自动开启反转——停止.
图片尺寸720x540
25,零基础学电工-按下停止按钮电动机延时停止电路(仿真图)
图片尺寸640x618
电机延时启动 三相异步电动机延时启动,要求按下启动按钮后5min后电机
图片尺寸825x628
3.1三相异步电动机延时启动,延时停止控制电路安装调试
图片尺寸949x532
延时启动自动延时停止控制电路
图片尺寸640x794
动态创作月#三相电动机:1台延时控制 2台延时控制电路原理图!
图片尺寸1345x1280
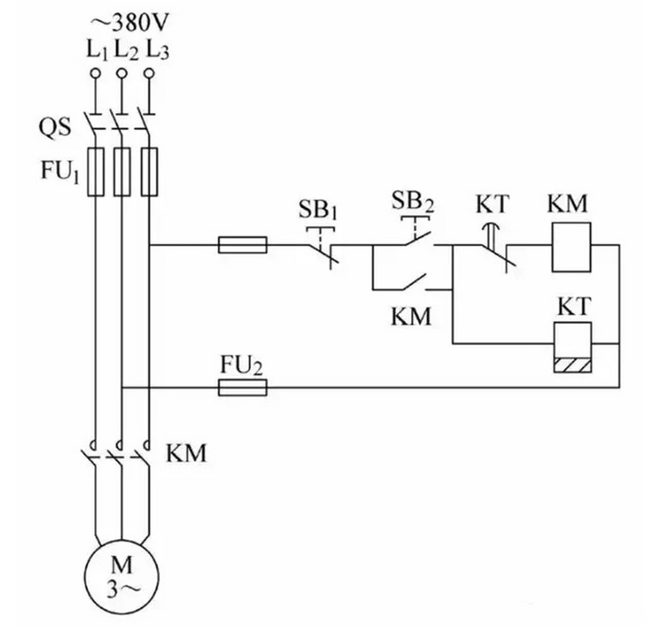
两台电机同时起动,延时停止控制
图片尺寸1080x810
电工基础与仿真-17空气延时触头控制电动机星三角起动电路
图片尺寸1728x1080
电机延时启动电路图
图片尺寸380x320
一个接触器的延时启动和延时停止(求原理图,急)
图片尺寸1654x2339
电动机延时启动接线图 - 第3页 - 电路图分享_电工学习网
图片尺寸736x528
金工实习电工延时启动控制电路
图片尺寸364x265
延时5s后第二台电机启动 再延时20s后两台电机同时停止的控制电路图
图片尺寸662x517
电工常用电动机控制电路(三)
图片尺寸640x450
调速电动 - 2020年最新商品信息聚合专区 - 百度爱采购
图片尺寸721x527
延时启动的电路
图片尺寸398x273
以下是电动机延时开机的间歇运行线路的电路图:该线路可以实现电动机
图片尺寸454x309
25,零基础学电工-按下停止按钮电动机延时停止电路(仿真图)
图片尺寸640x640