电动机cad简单画法图片

抓紧转发收藏!减速机与电机之间同轴度的调整方法.
图片尺寸373x248
fa57aqa90m4fa57aqa100m4三相异步减速电机fa57型号图纸
图片尺寸748x980
在线下载cad图纸,了解减速机的尺寸结构和参数
图片尺寸720x504
家用电动洗衣机定时器—电动机式定时器
图片尺寸570x802
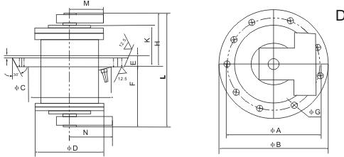
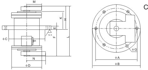
r107dre132ml4减速机电机尺寸图纸!非汽车
图片尺寸800x609
fa87aqa132m4fa87aqa160m4中型硬齿面减速机带电机型号尺寸图
图片尺寸746x982
立式振动电机
图片尺寸484x221
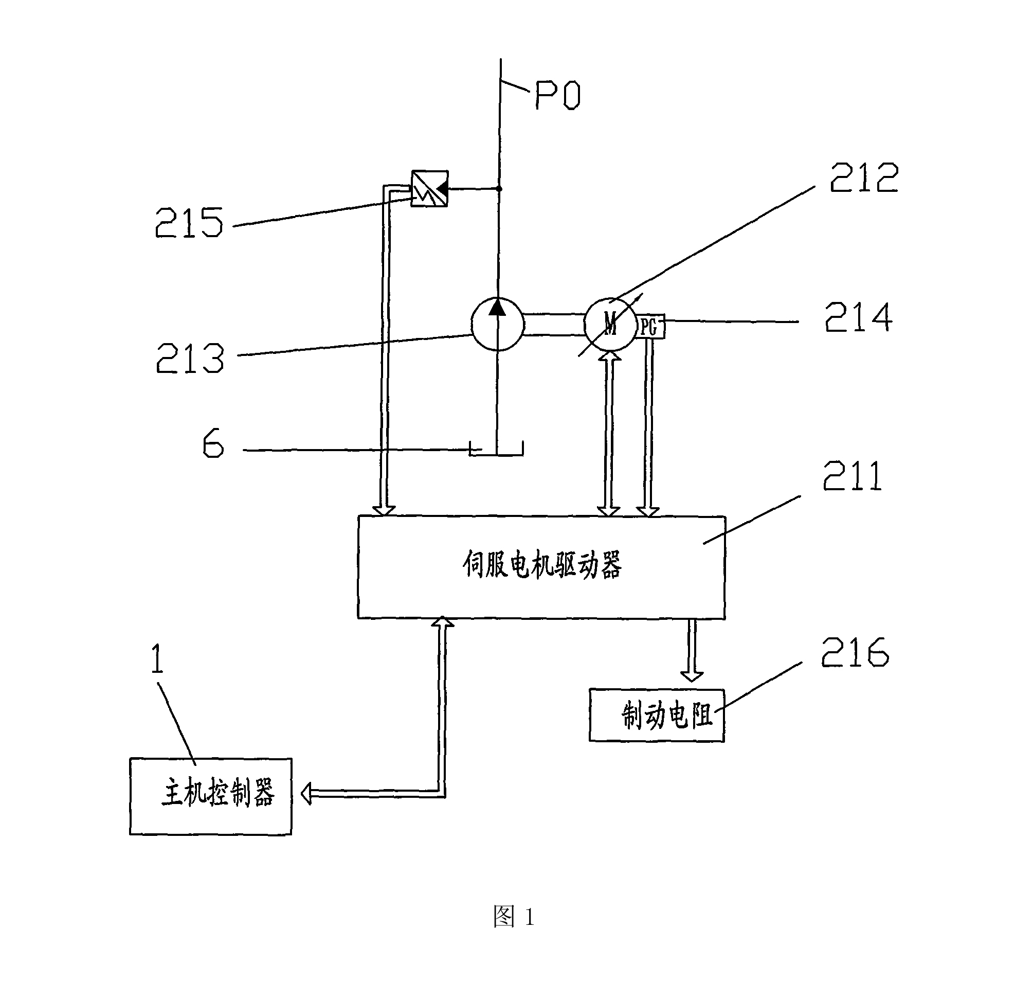
基于伺服电机控制的多泵组合控制液压动力系统
图片尺寸1974x1911
立式振动电机
图片尺寸474x224
dt是电机类型,表示的是普通三相异步电动机;17是r系列减速机中的一个
图片尺寸750x1032
电动汽车开关磁阻电机简介
图片尺寸700x484
速度|惯量|电动机|编码器_网易订阅
图片尺寸505x536
我用图块和组合图块构成一张电动机直接起动的控制原理图,如下:注意哦
图片尺寸600x365
p>数控 a target="_blank" href="/item/机床/249646" data-lemmaid=
图片尺寸825x586
fa77aqa63m4fa77aqa71m4fa77aqa80m4小电机减速机fa77尺寸图
图片尺寸750x978
电机_转子_负载
图片尺寸970x660
r87dre100m4,r87dre112m4,r87dre132m4同向减速机型号表示什么意思?
图片尺寸750x782
1w2三螺杆泵配3kw-4电机外形尺寸图
图片尺寸1646x1391
接入_电路图_电动机
图片尺寸1080x658
在cad发明之前,我们的工作状态是啥样的
图片尺寸660x499