电机正反转plc程序

西门子plc电机正反转控制系统设计详解
图片尺寸1080x1191
电动机正反转plc控制设计全攻略
图片尺寸1078x1518
plc控制电机正反转的全面指南,值得收藏!
图片尺寸626x427
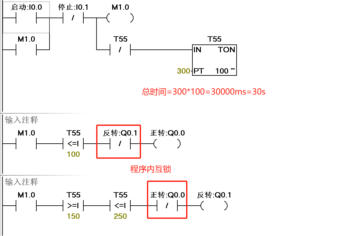
plc编程实例 功能: 按下启动,首先正转10秒,然后停止5秒 然后反转运行
图片尺寸1101x754
正反转控制电路图plc梯形图plc正反转正反转梯形图电机正反转plc程序
图片尺寸1093x701
用仿真软件动画演示电动机正反转控制的plc程序
图片尺寸1080x1920
如果需要修改正反转时间,只需要修改总电机正反转plc梯形图正反转plc
图片尺寸875x621
西门子plc 电机正反转功能实现
图片尺寸706x612
plc编程实例,电机的正反转
图片尺寸1443x912
正反转互锁联锁电路与plc程序的对照图
图片尺寸1080x1429
汇川plc正反转梯形图
图片尺寸540x960
plc200正反转
图片尺寸1343x1080
三菱plc:经典plc控制电机正反转电路#三菱plc
图片尺寸1280x1797
plc控制电机正反转及梯形图#电工知识 #技术分享 #电气设
图片尺寸1432x2784
plc 电动机正反转
图片尺寸790x647
图片尺寸1037x1706
电机正反转接线与plc程序
图片尺寸1280x1694
汇川plc正反转梯形图
图片尺寸540x954
实例3:plc控制电机正反转
图片尺寸1728x1080
plc程序实现安全可靠的正反转切换功能
图片尺寸893x667