电焊机的工作原理

电焊机
图片尺寸655x401
建筑工程电焊机事故案例分析及安全操作规范
图片尺寸760x427
电焊机原理图
图片尺寸1264x1021
简介电焊时的极性
图片尺寸799x501
交直流氩焊机
图片尺寸1657x1093
求文档: 高频电焊机工作原理
图片尺寸600x245
焊机电原理图讲解
图片尺寸540x960
电焊机工作原理
图片尺寸876x511
日朗焊机——逆变电焊机原理详解图
图片尺寸1119x739
电焊机工作原理家用电焊机的原理自己制作简易电焊机
图片尺寸608x314
原创电焊条是如何制造的,20多年的疑惑被解开了
图片尺寸503x232
一种具有充电输出接口的电焊机的制作方法
图片尺寸1000x463
简易电焊机制作两例
图片尺寸663x470
改普通小型电焊机为节能型的电焊,点焊两用机
图片尺寸766x558
200电气原理框图焊机接线图(220v焊机)焊机接线图
图片尺寸516x1720
焊机zx7-200a 焊接原理:弧焊 驱动形式:电动 作用对象:金属 工作电压
图片尺寸750x520
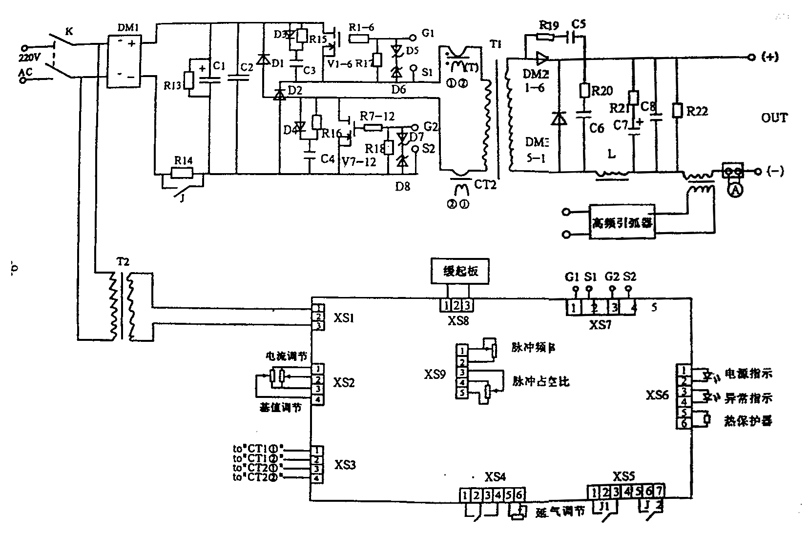
谁能提供电焊机的电气原理图?谢谢
图片尺寸521x460![wsm160/200/315/400/500系列逆变直流脉冲氩弧焊机使用:[3]](https://imgs.wantubizhi.com/img/ADDA3C5D760C6828B77B505A29D43E831D76CB9662F4E544522F7E692B54151497CF1C37710B20D7EE710CFE56B2E46A96CFF045B09D209DA4DA2D9AFCB78661E33EE134A628896E79CCDB0A205D4BAEA9E917CE0A41BC5B48F836456A58433E)
wsm160/200/315/400/500系列逆变直流脉冲氩弧焊机使用:[3]
图片尺寸2381x3368
一种自动停送电节能的交流电焊机
图片尺寸1577x1420
氩弧焊机工作原理
图片尺寸1116x828