电荷放大器电路图

关于电荷放大器的问题_电荷放大电路-csdn博客
图片尺寸3328x2496
电荷放大器的原理图
图片尺寸428x277
电荷放大器的原理图
图片尺寸401x240
电荷放大器的介绍
图片尺寸550x319
基本放大器电路的讲解
图片尺寸1444x1103
由心电前置放大电路的简单设计说明放大器的选用
图片尺寸509x320
3.9电路如图3.9所示.已知电压放大倍数为-100,输入电压ui
图片尺寸1241x1046
设计压电传感器的电荷放大,滤波,电压放大电路的
图片尺寸650x413
求教:压电传感器的前置放大电路(电荷放大)
图片尺寸574x571
大家来看图说话电荷放大器ac分析能得出些什么?
图片尺寸1028x796
前置放大电路知识介绍
图片尺寸555x530
电荷放大器的仿真电路图如下
图片尺寸828x375
大家帮忙看看这个电荷放大器的图,接电荷型振动传感器
图片尺寸573x363
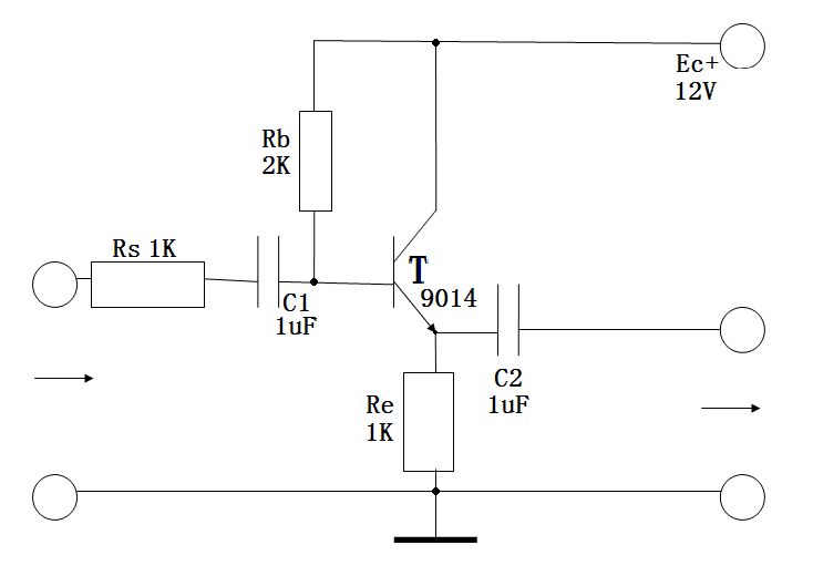
设计一个交流电压放大电路: 电源电压 12v 负载电阻2k 最大输出不失真
图片尺寸1949x959
电路放大
图片尺寸734x520
有偿求助电荷放大器电路
图片尺寸465x313
这个图好像是个电荷放大器.请各位大神分析分析.
图片尺寸1241x886
图2用于分析短路法的放大电路
图片尺寸1914x1262
放大电路能量守恒.doc
图片尺寸572x434
电荷前置放大器电路如下图所示已知ca100pfracf10pf若考虑引线电容cc
图片尺寸595x340