电路原理图绘制软件

c语言编程实现点亮流水led灯:原理图绘制:这一步需要使用protues软件
图片尺寸1081x829
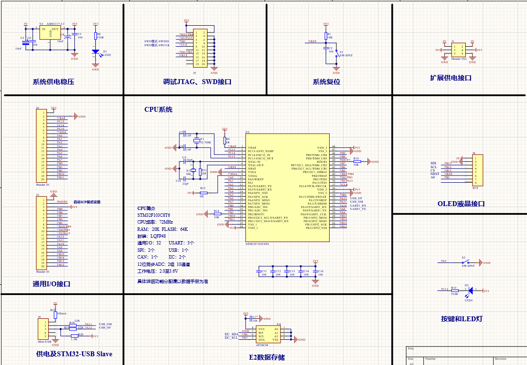
使用altiumdesigner软件绘制stm32的电路原理图
图片尺寸1084x751
模拟电气原理图的软件,初学者可以试试4,cade-simu电路模拟软件3,s7
图片尺寸1846x1506
altiumdesigner软件绘制stm32最小系统电路原理图
图片尺寸1173x779
designer绘制一个stm32系统的电路原理图_stm32电路图用什么软件制作
图片尺寸1920x1020
arduino的实验板 制作全部资料 电路图 hex软件 原官方网址
图片尺寸2515x1999
这种电气图用啥软件画的?
图片尺寸1751x1257
使用altiumdesigner绘制一个stm32最小系统的电路原理图
图片尺寸1920x1030
编码器解码器电路设计四路抢答器及multisim软件仿真
图片尺寸1048x599
各位大佬画电路图用什么软件方便
图片尺寸720x508
designer软件绘制一个stm32最小系统的电路原理图,该软件与我而言是
图片尺寸1030x642
可以快速设计电路图的软件有哪些?
图片尺寸640x375
电路图画不好可能只是你没用对软件
图片尺寸1368x857
designer软件绘制一个stm32最小系统的电路原理图_proteus原理图导入
图片尺寸1303x1028
电路图绘制软件有哪些
图片尺寸960x540
编码器解码器电路设计及multisim软件仿真
图片尺寸949x1462
学习使用altium designer软件绘制一个stm32最小系统的电路原理图,pcb
图片尺寸1359x867
使用altiumdesigner18绘制stm32最小系统原理图一, 安装并注册软件二
图片尺寸1413x904
首先打开visio软件,选择"基本电气"模板或者"电路和逻辑电路"模板如果
图片尺寸943x749
很漂亮,什么软件画的? 有原理图么?学习一下 altium designer
图片尺寸1858x887