直线轴承画法

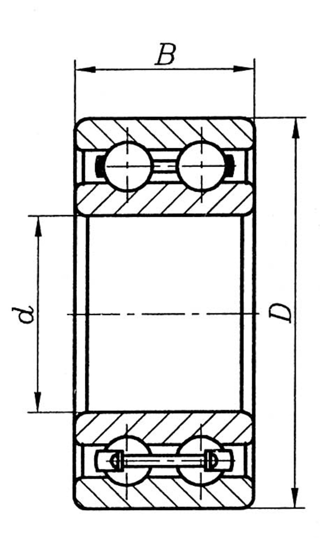
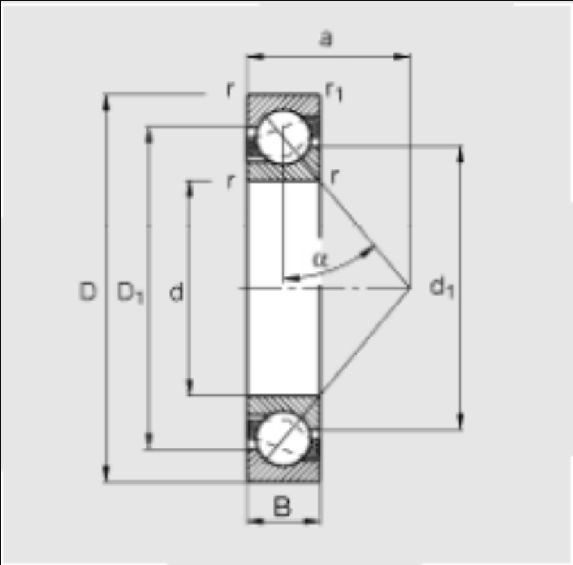
滚动轴承的画法
图片尺寸1126x1010
直线轴承的核心优势与选型应用指南
图片尺寸3507x2480
线性滚珠轴承是一种将钢珠的滚动运动转化为直线往复运动的机械元件
图片尺寸3507x2480
轴承设备零部件公司资讯
图片尺寸649x1114
图片尺寸1364x910
nsk 637vv轴承
图片尺寸1350x1792
轴承怎么画简笔画
图片尺寸500x460
依据三大因素,助力轴承选型一路狂飙
图片尺寸1280x1280
直线轴承lmf20l
图片尺寸1840x897
滚动轴承正装反装简图
图片尺寸591x636
bower m1212ehl轴承
图片尺寸1457x1940
直线轴承怎么用?
图片尺寸919x347
rb 211-35 轴承 -中达(河北)轴承制造有限公司
图片尺寸1275x1586
msa15a直线轴承图
图片尺寸1408x668
fag 7212-b-jp轴承
图片尺寸826x814
带座直线轴承的安装步骤
图片尺寸720x460
thk lm8s直线轴承,尺寸8mm*15mm*17mm
图片尺寸593x289
33.3讲轴承的画法
图片尺寸1728x1080
锭翼轴承
图片尺寸1612x1793
变孔径平面止推球轴承
图片尺寸1782x1514