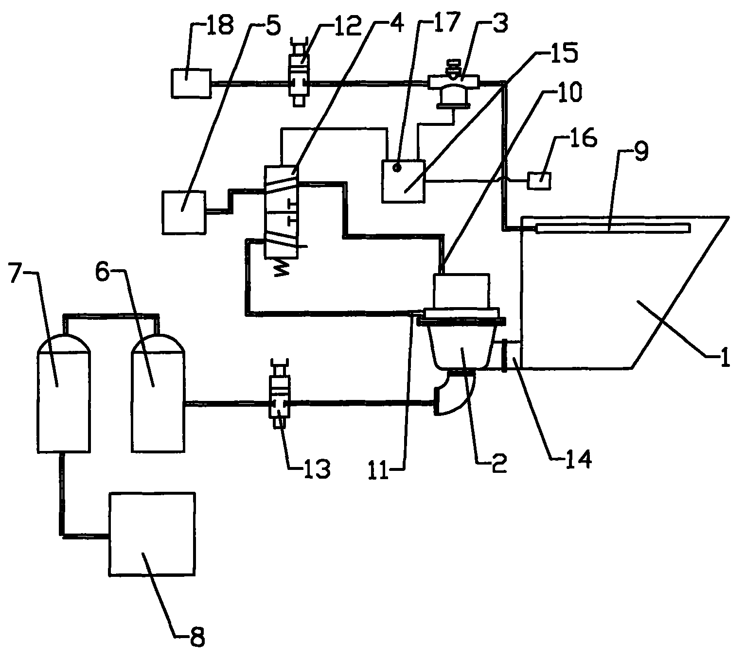
真空厕所设备原理图

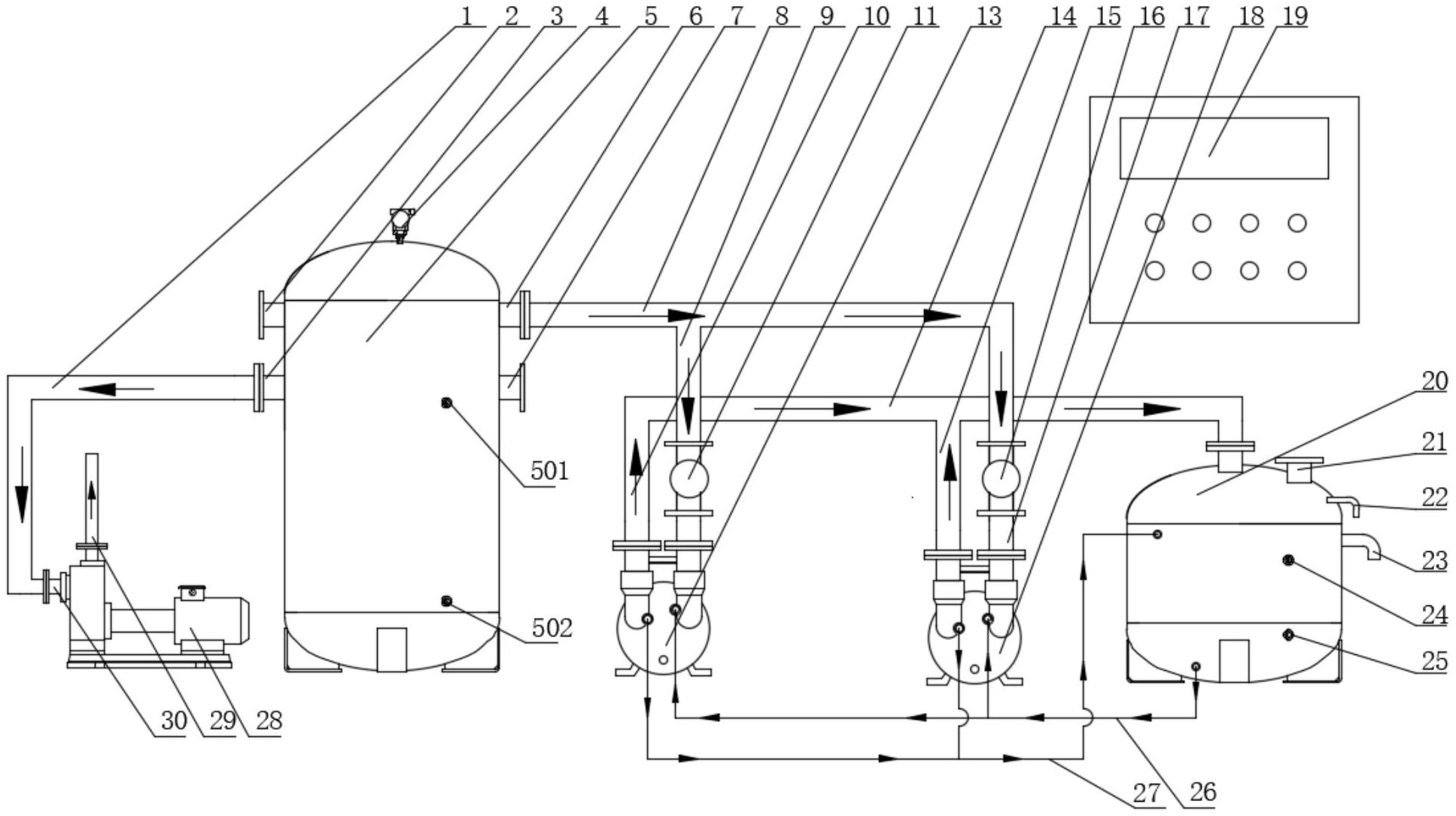
真空厕所系统流程图
图片尺寸452x255
一种紧凑型真空蹲便器制造技术
图片尺寸1000x858
一种真空移动厕所的制作方法
图片尺寸972x1000
一种移动厕所真空收集系统的制作方法
图片尺寸358x443
一种公共厕所用真空泵站-爱企查
图片尺寸1935x1085
远亭集团环保厕所移动厕所几种粪便处理方式比较
图片尺寸600x291
厕所污物真空收集利用系统
图片尺寸1147x542
一种真空厕所
图片尺寸1532x1352
东湖听涛景区真空环保厕所系统的设计
图片尺寸638x320
隧道整体卫生间(真空厕所),是为了满足隧道,桥梁等恶劣施工环境下,而
图片尺寸554x184
气动紧凑型真空厕所制造技术
图片尺寸1000x885
铁路列车真空环保厕所系统设计
图片尺寸552x267
公共厕所用在线式负压真空系统的制作方法
图片尺寸782x1000
动车组列车火车厕所真空集便器系统用mmp4050塑料气动夹管阀管夹阀
图片尺寸750x550
列车厕所用真空泵排污系统及工作方法与流程
图片尺寸1000x906
cn107939082b_一种移动式真空厕所有效
图片尺寸561x340
一种安装真空蹲便器的机车卫生间的制作方法
图片尺寸1000x558
真空厕所显示屏接线图
图片尺寸720x531
真空排污系统
图片尺寸543x609
罗茨水环真空机组的原理
图片尺寸458x462