矿车轮对结构图

矿车轮对
图片尺寸469x374
600标准轨距的矿车轮对(900/1435轨距实心轮对)
图片尺寸800x800
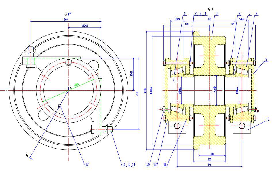
一种密封型矿车轮对制造技术
图片尺寸852x1000
cn2180499y_无丝扣矿车轮对失效
图片尺寸1760x2205
文档网 所有分类 轮对轮对结构如下图所示.
图片尺寸893x204
铁道车辆轮对结构与轮轨接触几何关系ppt
图片尺寸1080x810
指出下图车轮所标部位的名称并阐述轮对的作用及在检
图片尺寸2196x1017
铁道车辆轮对结构与轮轨接触几何关系 (1)ppt
图片尺寸1080x810
图
图片尺寸400x261
3045 矿车轮对拆卸机设计
图片尺寸800x1132
矿车轮对拆卸机设计完整版(装配图 零件图 液压系统图 设计说明书)
图片尺寸720x509
φ400起重机车轮组400主动轮被动轮河南矿山行车车轮
图片尺寸952x594
机械加工机床金属加工设备的制造及其加工应用技术
图片尺寸1000x548
图像 4.png
图片尺寸603x381
图像 1.png
图片尺寸548x428
铁路车辆辅助装置的制造及其改造技术
图片尺寸1000x727
一种矿用防爆纯电动无轨胶轮车
图片尺寸2004x1073
挖掘机产品知识ppt
图片尺寸1080x810
轮对知识ppt
图片尺寸1080x810
cn107433424a_机车分体轮对装配工艺有效
图片尺寸1000x592