移相

全桥逆变电路移相电压调节
图片尺寸720x796
移相全桥波形
图片尺寸480x234
数字调制有振幅键控(ask),移频键控(fsk),移相键控(psk)和差分移相键
图片尺寸383x199
general microwave 7128 6-18ghz 12 bit ttl iq 射频数字移相器
图片尺寸2048x1536
7-4.5ghz 12bits 数控移相器微波数字移相
图片尺寸2048x1536
t进口 p8p-68n-5 6-18ghz 8bit 360度 射频数字精密移相器
图片尺寸2048x1536
移相全桥的驱动波形请教
图片尺寸1094x825
整流电路移相如何确定
图片尺寸583x527
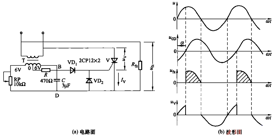
图1-13 锯齿波同步移相触发电路i各点电压波形(α=900
图片尺寸562x1268
关于tms320f28377s的移相全桥epwm第一个脉冲丢失的问题
图片尺寸800x512
移相全桥带载后驱动波形有凹陷
图片尺寸1280x960
射频移相器 数字程控移相 微波移相器 宽带移相 8bit数字移相器 黑色
图片尺寸800x800
单相半波 strong>阻容 /strong>移相 strong>触发电路 /strong>.gif
图片尺寸1089x540
适用于mmc的最近电平与载波移相调制策略对比研究
图片尺寸918x603
进口 a5n1102 02dc-18ghz 02720度02sma rf 射频微波可变移相器
图片尺寸2048x1536
毫米波rf mems移相器的智能建模方法
图片尺寸1917x2978
8g数字移相器 银色
图片尺寸800x800
hmc928射频移相器 2-4ghz宽带移相器 高性能移相器
图片尺寸800x800
移相触发
图片尺寸220x149
移相全桥软开关电源的初级波形有震荡一般是哪里出了问题,有没有好的
图片尺寸750x1000