稳压泵380v接线图

380v水泵一个怎样接线
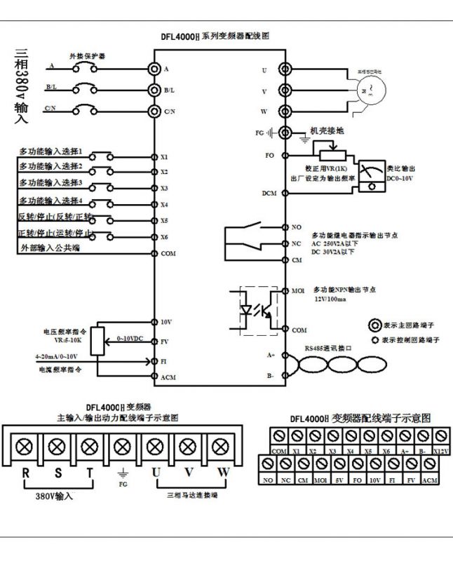
图片尺寸736x552
ac380v电动球阀接线图说明及控制方式
图片尺寸1056x1200
cdc10-40的380v的交流接触器控制1.5kw的水泵怎样接线
图片尺寸612x816
380v稳压器的接线方法?
图片尺寸500x373
进线电压380v,出线220v,额定电流18a,装备4个回路的伴热带接线.
图片尺寸837x528
三相稳压器380v60kw大功率稳压器60k压缩机数控机床稳压电源60kva
图片尺寸1764x1920
380v交流接触器接线完里
图片尺寸323x487
380v气泵接线图气压开关接法
图片尺寸500x332
消防稳压泵控制原理图
图片尺寸560x403
380v ckc 缺相保护器_接线图分享
图片尺寸600x470
380v交流接触器互锁及限位实物接线图
图片尺寸1018x1529
380v交流接触器和定时器怎么接线
图片尺寸450x360
380v交流接触器不带热保护3201的实物接线图
图片尺寸640x475
380v交流接触器连接行程开关接线图,是自动控制上水的希望对你有帮助
图片尺寸450x338
消防双电源软启动稳压泵接线图
图片尺寸887x542
380v气泵接线图气压开关接法
图片尺寸500x329
380v气泵接线图气压开关接法
图片尺寸500x340
电动机智能监控器380v一般接线图
图片尺寸516x423
供应三相380v15kw水泵恒压供水变频器自动调节稳压供水用控制器
图片尺寸646x800
380v配电箱怎么接线,求图
图片尺寸450x312