立体构成柱体图纸

一种钢筋混凝土装饰构造柱
图片尺寸1965x1777
一种钢结构柱
图片尺寸1728x2400
com运行环境:winxp,win2003,winvista,win ;资料分类:建筑图纸资料
图片尺寸605x435
【柱体】立体构成条纹塔楼纸雕半成品教具美术生镂空卡纸满分制作
图片尺寸2268x2268
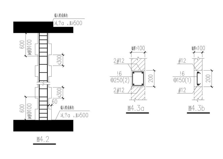
为什么中间两个正方形是构造柱
图片尺寸1242x2208
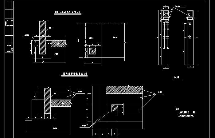
某立柱cad节点构造平面图
图片尺寸610x861
大厅立柱构造详图 - cad欧式景观小品图纸下载,免费欧式景观小品cad
图片尺寸683x491![[分享]第七次作业:矩形装饰柱](https://imgs.wantubizhi.com/img/735A5D1F980B52A636CC46F12F2D1A73892D5071FB15482A66210DFA95F62B3D3AF30A5FFAE999F7FD41492C9D6519F4176EB2B6837AD79507044484E56D7B4B9D3C6FCF8E6A83F21F2794EBFE9D18989AE92D6ECB813AC7C04835343CB5666C)
[分享]第七次作业:矩形装饰柱
图片尺寸2000x2628
47层住宅 42层酒店式公寓 13层酒店结构图
图片尺寸760x543
本图纸非常具有参考借鉴价值,特此分享,供大家学习,内容详实,可供下载
图片尺寸610x432
分享| 欧式立柱罗马柱柱头柱脚大样图_图纸
图片尺寸700x449
欧式立柱罗马柱柱头柱脚大样图
图片尺寸700x449
立体构成立柱作业
图片尺寸1080x810
m5水泥砂浆砌筑工程施工方案
图片尺寸760x436
柱体立体构成蝴蝶
图片尺寸1080x1440![[提问]第七次作业:矩形柱装饰柱](https://imgs.wantubizhi.com/img/A1A61BAA66193547F3A6DD7D8EE527E91BF9A91CD661A15D3E4FBCF7ACD234DA06595F3C39A155CA0C4C4A81BA89447A924EA51CFE465CEB7D99C8CDB31D400E9983EEEA118F3B7857A713F7C59DAF8D7F62DC347D864FFB4F14AA40AA5A1D6D)
[提问]第七次作业:矩形柱装饰柱
图片尺寸4000x2314
谢谢
图片尺寸1820x891
这个立柱怎么画
图片尺寸2304x1728
知名建企总结丨住宅区常用高,中,抵档围墙做法(含报价,图纸)
图片尺寸1080x1365
装饰柱cad立面详细大样施工图纸
图片尺寸413x528