立式单级离心泵结构图
![html[鲸圣]单相管道泵,立式管道增压水泵之80gcf-50结构简单,易维护](https://imgs.wantubizhi.com/img/ADDA3C5D760C6828B77B505A29D43E83BB21DE431649F8C1E3E13C82375BD403C59B7BD79AE55FBBF100CFFE7D4C052DAAC7114A89A92E6EE91327F55EED384C3CC11253506524026DCA592F5245B5A7A70D063DF425069D27EC165D4E71E19F)
html[鲸圣]单相管道泵,立式管道增压水泵之80gcf-50结构简单,易维护
图片尺寸750x1447
立式离心泵结构图和安装方式
图片尺寸549x433
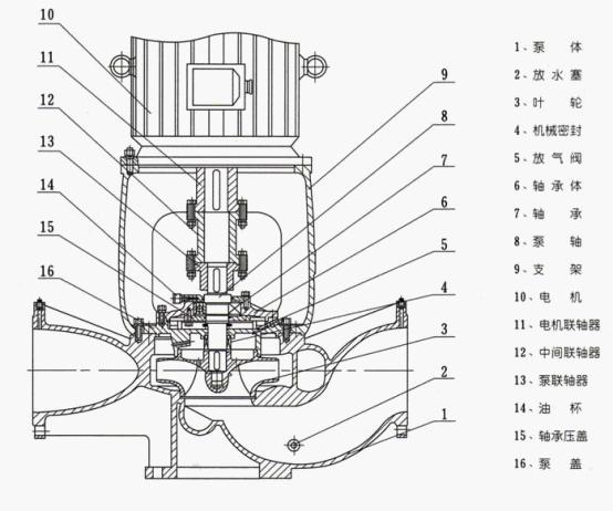
级单吸立式离心泵 城市给排水 高层建筑 消防循环增压管泵ihg型结构图
图片尺寸695x405
isgb型便拆立式管道离心泵
图片尺寸554x462
立式离心泵验收标准
图片尺寸534x410
矿用隔爆离心泵之uhb-zk300/1200-50为悬臂式单级,单吸离心泵,其过流
图片尺寸750x1495
gdl立式离心泵结构示意图
图片尺寸920x1302
长沙ihg系列立式管道化工离心泵生产厂家
图片尺寸1063x1173
四,立式单级热水泵工作条件
图片尺寸750x805
(干货)进口离心泵总结-结构和故障处理
图片尺寸640x308
离心泵基本结构构成
图片尺寸1000x570
lc型立式长轴泵结构组成(含结构图)
图片尺寸1484x2408
p data-id="gnbwmcyqx1">单级单吸离心泵采用最先进的 a target="
图片尺寸595x349
单级单吸离心泵结构用途
图片尺寸738x295
立式涡轮泵结构形式/离心式,上出水,不可抽(api 610 vs1)
图片尺寸582x712
怎样选择单级泵和多级泵
图片尺寸1101x1109
通用设备 泵类 离心泵 isg立式单级单吸离心泵 1 取压塞 irg型结构
图片尺寸298x349
一种核电用立式蜗壳式单级离心泵
图片尺寸1795x1688
离心泵的结构示意图如下所示
图片尺寸490x450
gw立式管道离心泵
图片尺寸632x668