纯化水用水点

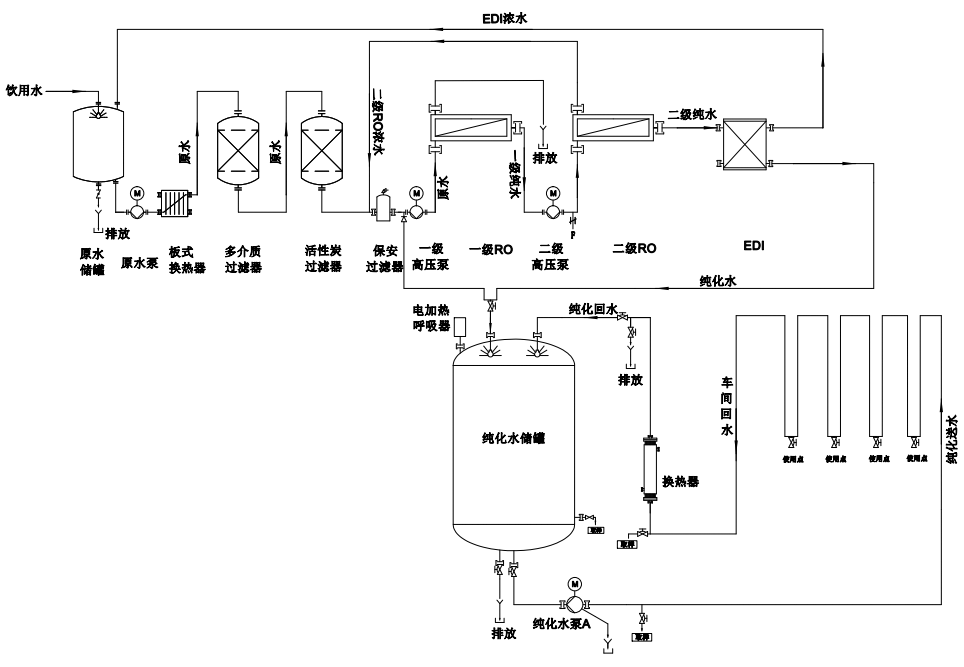
浅谈制药行业纯化水系统的关键点
图片尺寸826x374
口罩厂实验室用纯化水设备
图片尺寸1404x1440
纯化水
图片尺寸3456x5184
5吨双级反渗透纯化水设备 - 医药纯化水系统 - 海南康泉水处理设备
图片尺寸800x600
药用纯化水系统施工规范
图片尺寸640x854
纯化水是什么
图片尺寸956x382
浅谈制药行业纯化水系统的关键点
图片尺寸822x562
浅谈制药行业纯化水系统的关键点
图片尺寸964x667
【净得瑞直播】纯化水和注射用水设备工艺及应用案例_系统_服务_企业
图片尺寸1080x524
浅谈制药行业纯化水系统消毒灭菌的关键点
图片尺寸2304x1728
湿巾消毒液洗手液纯化水设备
图片尺寸843x1500
去离子水机纯化水设备 工业级用纯净水设备定制 嘉华新宝
图片尺寸750x750
制药厂纯化水系统
图片尺寸800x600
纯化水取样口采用卫生球阀还能用吗?
图片尺寸960x1280
纯化水设备.工艺采用1.5吨双级#反渗透设备 1吨edi# - 抖音
图片尺寸1920x1440
使用ro & edi解决方案生产制药纯化水
图片尺寸3648x2736
纯化水系统管道综述
图片尺寸500x375
医院检验科 纯化水设备-gmp医药纯化水设备-脱盐水设备-水质净化-水
图片尺寸4208x2368
抢修6吨纯化水设备.6点咨询,晚10点做出来报价单,第二天拉 - 抖音
图片尺寸1440x1918
一,药典纯化水设备介绍
图片尺寸1200x957