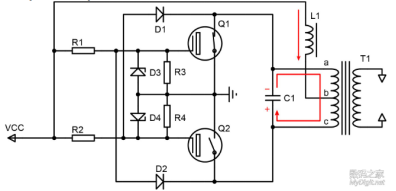
经典无抽头zvs电路图

12伏无抽头zvs感应加热制作及详细介绍
图片尺寸640x853
无抽头zvs电路原理图
图片尺寸595x394
并联无抽头双电感zvs
图片尺寸934x641
关于zvs电路的一些问题
图片尺寸408x750
找一张双管无抽头zvs电路图.
图片尺寸500x572
闲来没事做用主板做了一个无抽头zvs
图片尺寸691x510
关于zvs电路的一些问题
图片尺寸683x629
无抽头zvs
图片尺寸560x236
无抽头双管软开逆变(附仿真)
图片尺寸720x630
zvs无抽头感应加热电路制作与波形图
图片尺寸396x191
关于经典zvs原理!高手解答
图片尺寸800x521
zvs电路可以这样改么求指点
图片尺寸2308x1488
zvs加热制屠龙宝刀
图片尺寸1256x525
zvs driver with ct primary▲ 无抽头zvs振荡器
图片尺寸720x720
抽头zvs,470Ω电阻冒烟,一个igbt报废,另一个完好且无温升,电路焊锡
图片尺寸353x526
zvs driver with ct primary▲ 无抽头zvs振荡器
图片尺寸988x414
关于经典zvs原理!高手解答
图片尺寸800x521
自制四管zvs电路
图片尺寸1008x630
板砖变板砖搭棚无抽头zvs制作小记
图片尺寸1719x1073
求一个简单易安装的zvs逆变器电路图.功率无需太大5v 1a内
图片尺寸613x446