给水管道支墩标准图集

dn200球墨铸管支墩图
图片尺寸920x1302
10s505:柔性接口给水管道支墩
图片尺寸1811x1254
03ss505图集支墩做法23页
图片尺寸2975x2125
dn200球墨铸管支墩图docx3页
图片尺寸792x1120
给水管支墩一般多大
图片尺寸875x631
污水压力管道支墩大样图cad图纸
图片尺寸1440x1020
图2-25圆形管道砖砌支墩图.png
图片尺寸733x655
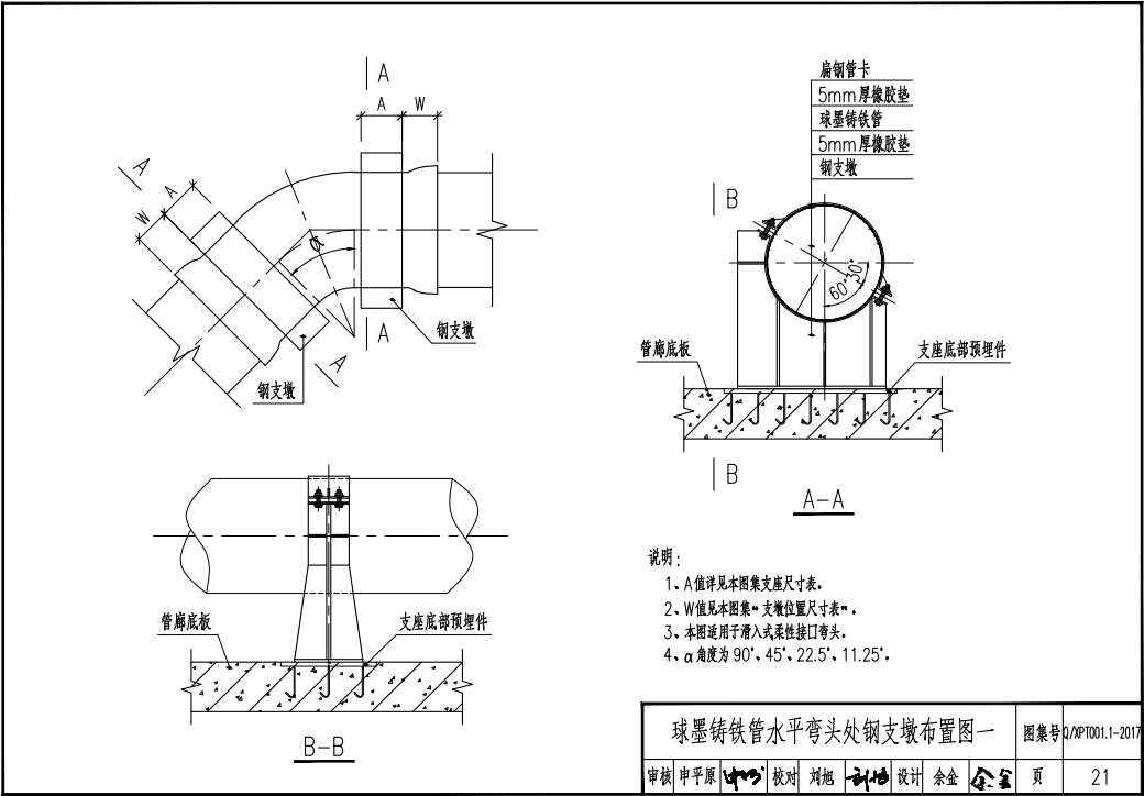
综合管廊球墨铸铁管钢支墩安装图集(180余页)-路桥市政-路桥设计资料
图片尺寸1041x724
10s505 柔性接口给水管道支墩 给水排水图集 给水管道设施图集
图片尺寸800x800
90°水平弯管支墩
图片尺寸338x240
污水压力管道支墩大样图
图片尺寸560x403
关键词: 球墨铸铁管安装图集直管段钢支墩详图水平
图片尺寸1038x724
管道支墩设计图
图片尺寸820x575
综合管廊球墨铸铁管钢支墩安装图集(180余页)
图片尺寸1038x722
钢筋砼管镇支墩图
图片尺寸820x575
图2-27矩形管道砖砌支墩图.png
图片尺寸757x765
管道支墩设计图
图片尺寸231x396
谁知道10s505中混凝土支墩的尺寸及规格与钢筋用量
图片尺寸948x647
03s504刚性接口给水承插式铸铁管道支墩
图片尺寸1024x768
03ss505柔性接口给水管道支墩图集pdf格式高清电子版
图片尺寸937x676