继电保护装置原理图

继电保护二次回路图.pdf
图片尺寸800x1131
继电保护自动装置的二次原理接线图和展开图有什么区别
图片尺寸522x575
快来看这些继电保护方法详解_瓦斯_装置_动作
图片尺寸640x464
cn101227080a_继电保护装置的控制电路及其操作方法失效
图片尺寸1688x949
继电保护装置
图片尺寸593x279
谁有铁合金企业110kv总降压变电所设计的继电保护配置图请各位大侠给
图片尺寸1092x644
cn201854082u_新型备用电源自投继电保护装置失效
图片尺寸1748x1300
变压器继电保护的基本知识
图片尺寸521x297
固态断相继电器保护电路a
图片尺寸469x615
35kv/10kv企业变电所主要设备继电保护原理展开图一张
图片尺寸1197x829
继电器保护电路
图片尺寸1578x1085
11千瓦的电机做带热继电器的保护线路
图片尺寸623x806
实用断相相序保护器的工作原理图及操作指南-电子发烧友网
图片尺寸644x478
a3-变电所保护装置原理图
图片尺寸805x568![继电保护自动装置及二次回路:[4]](https://imgs.wantubizhi.com/img/735A5D1F980B52A636CC46F12F2D1A73B7AAB4D710E5ACAC941485ACFCC29F4C23552879CE4EDA9EE14830E4C416E2F561EE37B6D6C6FA58DA371C018002EF403E76136894275467DE98BAE99113835485A7CD3A9266D5EB2A9EFFDD948284CD)
继电保护自动装置及二次回路:[4]
图片尺寸2150x3011
变压器继电保护原理图动作过程解决方案华强电子网
图片尺寸750x541
重负载启动热继电器保护电路之一
图片尺寸435x518![继电保护自动装置及二次回路:[13]](https://imgs.wantubizhi.com/img/A1A61BAA66193547F3A6DD7D8EE527E9091BE412589E27A05A4BD2B264780392014BBA103D4122EDD73F41D160C2878845141AF4229135AB27034C99793359E9211AD717957B617545F62429BD31497DB649267487B2706BF9DB8A157DF907BC)
继电保护自动装置及二次回路:[13]
图片尺寸2150x3011
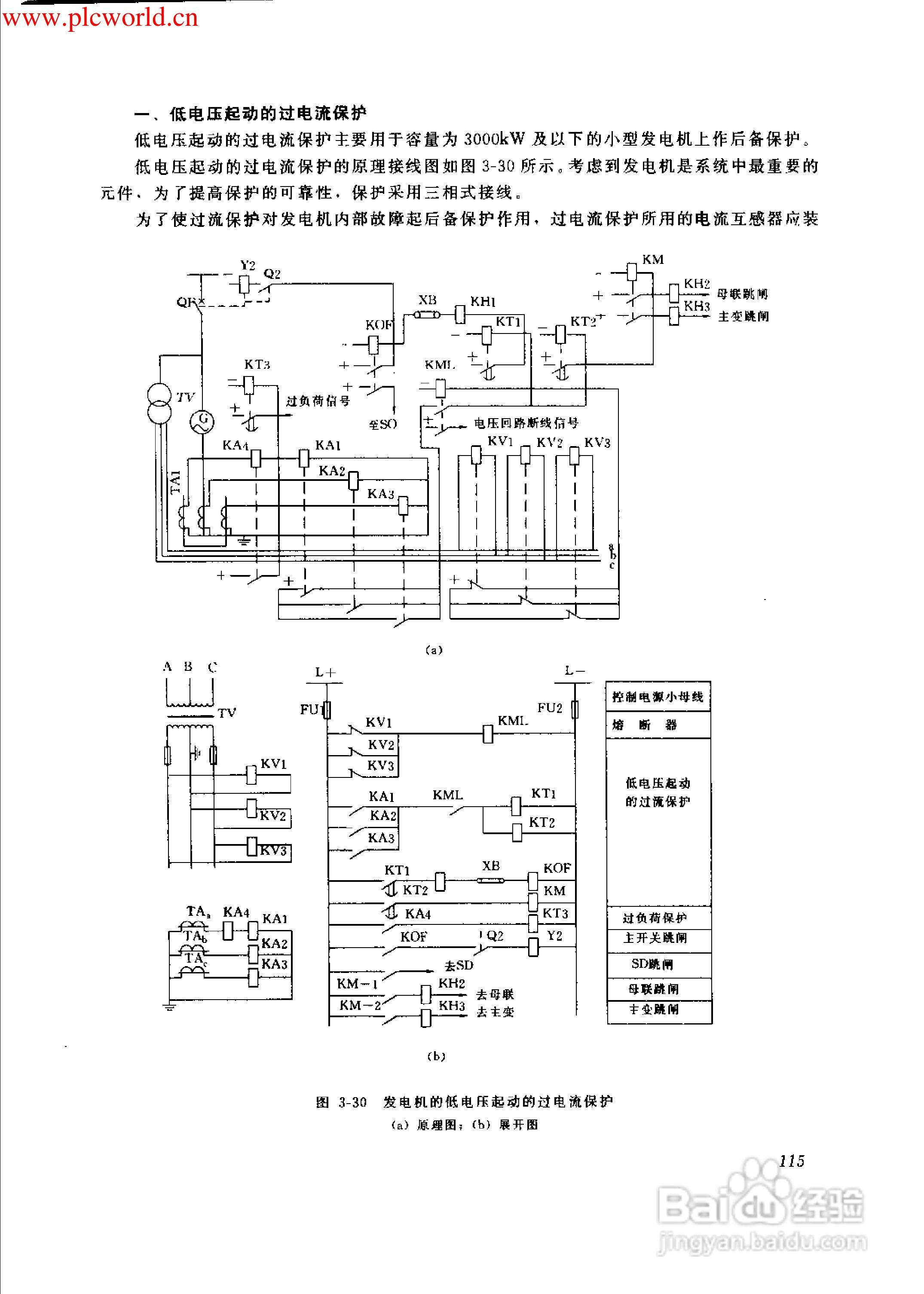
发电机的继电保护
图片尺寸640x480![继电保护自动装置及二次回路:[9]](https://imgs.wantubizhi.com/img/A1A61BAA66193547F3A6DD7D8EE527E9BE7F0DC0F7C182FB5F07977D106B7A137DFCDF997300FA0411127BD5FCF26B1B7BB60B9744C4C8F31EC9CC1ADF90558E534AB3425845426F33B537227A585B8289AF0C854E4E789B17FFAC483F155661)
继电保护自动装置及二次回路:[9]
图片尺寸2150x3011