缓冲电路

缓冲电路的介绍
图片尺寸612x284
调音台输出电路中的缓冲
图片尺寸546x543
运算放大器的缓冲器,即电压跟随器,可能是运算放大器最简洁的应用电路
图片尺寸591x407
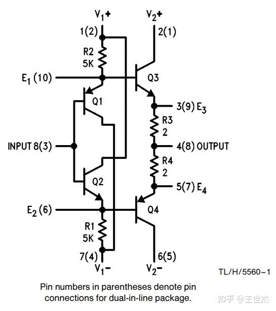
【p06】实用钻石缓冲电路
图片尺寸350x417
一种用于低电平复位电路的抗单粒子瞬态缓冲器
图片尺寸846x772
缓冲电路
图片尺寸637x367
自举复合放大缓冲器(lm747,lf357)电路图
图片尺寸1545x1891
cn101204008a_缓冲电路有效
图片尺寸1521x987
一种输入缓冲器电路的制作方法与工艺
图片尺寸1000x714
请教专家关于6n3缓冲电路
图片尺寸474x356
图3 rcd 缓冲电路
图片尺寸394x292
一种脉冲电流工况下晶闸管缓冲电路的优化方法
图片尺寸1181x733
【p06】实用钻石缓冲电路
图片尺寸545x615
一种具有输入缓冲电路的施密特触发器电路
图片尺寸1868x1757
我知道这是一个有源低通滤波器又叫电压缓冲电路,只想问c19/104的作用
图片尺寸481x417
转载开关电源中的全部缓冲吸收电路解析收藏了
图片尺寸677x386
高频电源模块缓冲电路优化探讨
图片尺寸848x594
缓冲电路延时上电电路
图片尺寸564x529
1,6z4缓冲电路图.gif
图片尺寸762x411
一种缓冲式应急灯电路的制作方法
图片尺寸1000x736