缝纫机缝法

裁缝在缝纫机上工作.手.关闭.剪裁.详细照片
图片尺寸450x300
家用缝纫机多用途家用缝纫机功能
图片尺寸1176x1349
家用脚踏式缝纫机的机构分析与调试
图片尺寸1077x808
使用一台缝纫机裁缝
图片尺寸700x467
6,手工缝纫的基本针法: 缲针 回针 缝针 company logo
图片尺寸1080x810
手绘缝纫机素材-手绘缝纫机图片-手绘缝纫机素材图片下载-觅知网
图片尺寸1280x762
缝纫机缝制红色织物
图片尺寸681x1024
怎么使用缝纫机
图片尺寸652x559
缝纫机缝
图片尺寸700x467
v5000告诉你步进绷缝机有多能耐-资讯中心-缝纫机-缝制设备网-缝制
图片尺寸600x397
机缝拼布爱好者必修课之了解"缝纫机"基本属性 - 清新如梦的日志
图片尺寸690x518
缝纫机
图片尺寸400x492
缝纫机缝,缝纫机缝制谭织物
图片尺寸1023x682
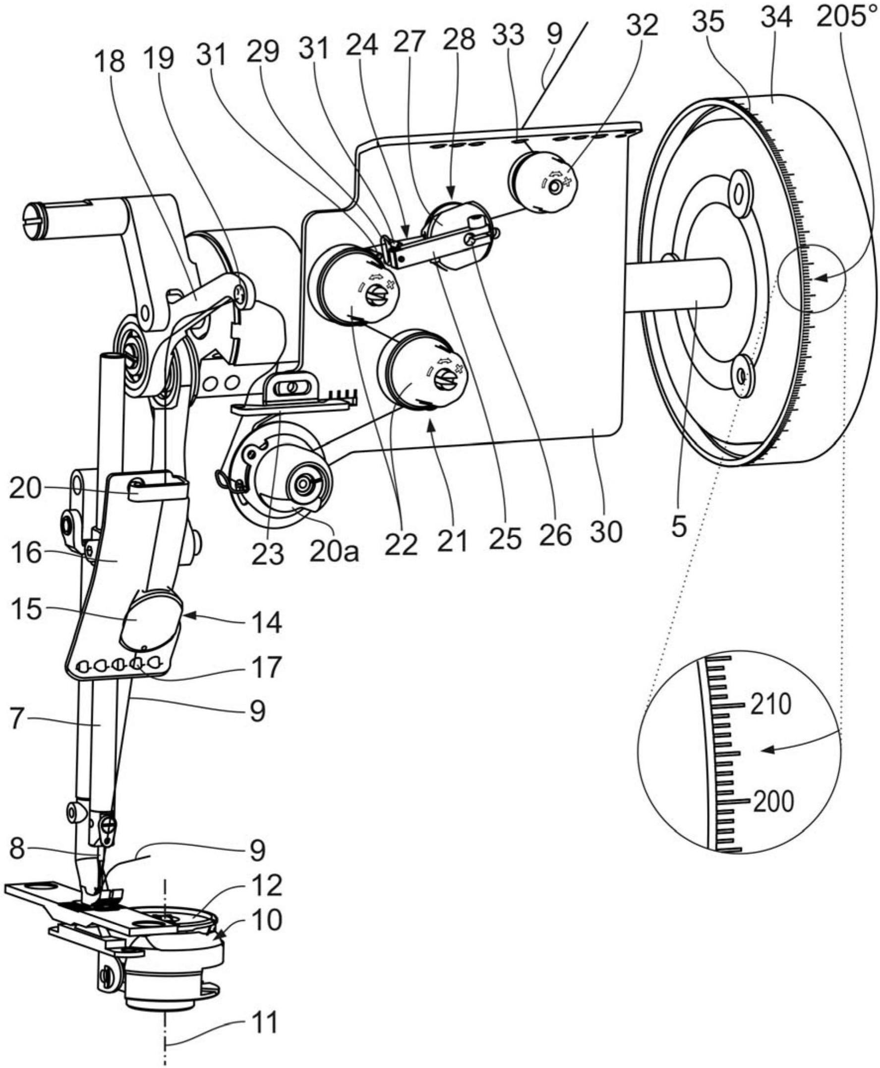
制造线缝开头面线的方法和配置成实施这种方法的缝纫机
图片尺寸1775x2155
如何打双线纽扣结,单线纽扣结的打法(纽扣的6种缝制方法)
图片尺寸640x669
如何修正缝纫机线迹使其缝线紧松适度整齐美观?
图片尺寸550x778
缝纫机缝纫机的和服装项目缝纫机老式缝纫机缝纫机在夜晚古董缝纫机
图片尺寸533x300
汇宝加长版四自动,成色如图,实物照片,共四台,#缝纫机 #缝 - 抖音
图片尺寸1080x1440
缝纫机万能人字车兄弟牌/超高速三角针人字车/曲折缝缝纫机
图片尺寸1024x768
家用桌面平缝机,#工业缝纫机 #服装设备 工 - 抖音
图片尺寸1920x1920