网线测试仪原理

网线测试仪原理图3.png
图片尺寸840x754
网线测试仪
图片尺寸3032x1516
能手牌网线测试器原理图
图片尺寸1736x891
一个网线测试器电路图
图片尺寸1212x747
网线测试仪的设计与制作
图片尺寸775x527
单头网线测线仪的工作原理是什么? - 知乎
图片尺寸1080x1920
网线测试仪问题
图片尺寸726x572
cn202837472u_网线测试仪有效
图片尺寸1000x601
20元一个的网线测试仪电路
图片尺寸507x447
网线测试仪课程设计
图片尺寸622x459
网络自动测试器电电路工作原理图
图片尺寸854x654
一种高效便捷的网线测试仪的制作方法
图片尺寸1000x733
测试电路
图片尺寸518x347
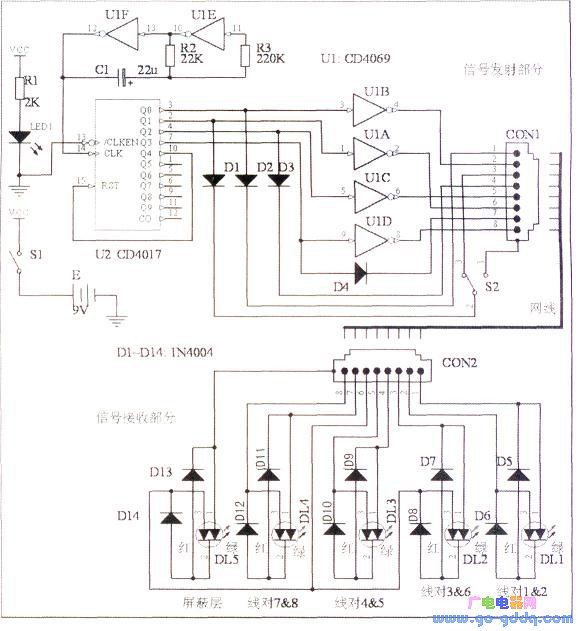
采用cd4017的网线测试仪电路及工作原理
图片尺寸588x388
网络分析仪详细使用教程ppt
图片尺寸1080x810
网络分析仪原理
图片尺寸845x568
求基于51单片机的网线测试仪的c语言程序,,用cd4511静态驱动共阴极七
图片尺寸737x574
电线线束
图片尺寸578x631
多芯电缆测试仪
图片尺寸441x225
矢量网络分析仪的原理及测试方法.ppt
图片尺寸800x600