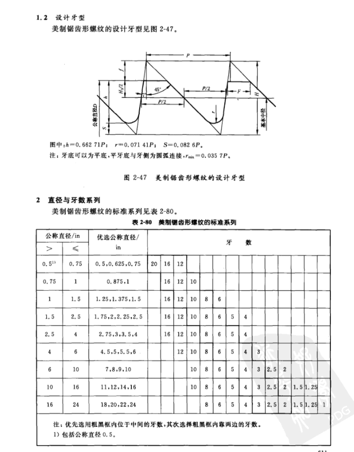
美制锯齿形螺纹

锯齿形螺纹的两个牙型角是怎么定义的
图片尺寸1079x1289
美制锯齿型螺纹
图片尺寸719x909
美制锯齿型螺纹
图片尺寸720x919
4, 锯齿形螺纹(代号:s jb 923-66) 特点:工作边 =3 ,非工作边 =30
图片尺寸1080x810
美制锯齿型螺纹
图片尺寸720x747
abut美制锯齿螺纹16er20 16 12 10abut自锁式锯齿螺纹刀片
图片尺寸800x1150
锯齿形(3°,30°)螺纹基本尺寸.fit)
图片尺寸800x1123
45度锯齿螺纹刀片abut美制锯齿形螺纹刀片16er16 abut(a) tp04 单片
图片尺寸800x800
美标螺丝的统一螺纹
图片尺寸1000x667
滑动螺旋传动锯齿形(3°,30°)螺纹尺寸
图片尺寸779x565
英制锯齿形螺纹的牙型
图片尺寸530x305
液压机用45°锯齿形螺纹牙型与基本尺寸
图片尺寸1488x651
crm厂家批发美制un外螺纹牙进口锯齿形螺纹
图片尺寸750x750
【上海螺杆】上海机加工厂 精加工锯齿形螺杆 螺纹 大批量按需定制
图片尺寸750x750
有三角形,梯形,锯齿形,圆弧和矩形等牙型.
图片尺寸1080x810
锯齿形螺纹的压型和基本尺寸
图片尺寸920x1301
美制螺纹.jpg
图片尺寸595x488
锯齿形螺纹
图片尺寸594x373
按其截面形状(牙型): 分为三角形螺纹,矩形螺纹,梯形螺纹和锯齿挝
图片尺寸557x270
螺纹的分类
图片尺寸320x240