老式缝纫机机头结构图

缝纫机主要由机头,机座,传动和附件4部分组成.机头.
图片尺寸635x475
13缝纫机机头的拆装
图片尺寸988x677
第18页 (共91页,当前第18页) 你可能喜欢 老式缝纫机
图片尺寸1077x808
缝纫机
图片尺寸1820x1697
100多年前老式缝纫机,零件几百个,传动机构超复杂!
图片尺寸640x373
缝纫机
图片尺寸698x540
绷缝缝纫机
图片尺寸955x1500
老式蝴蝶牌缝纫机说明书
图片尺寸1153x1630
燕牌蝴蝶飞人老式缝纫机配件大全维修资料零件图跳线家用
图片尺寸600x800
家用缝纫机
图片尺寸300x258
cn102356189a_缝纫机有效
图片尺寸2454x1697
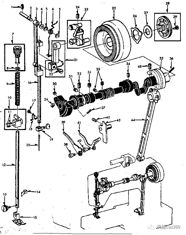
老式缝纫机拆解图
图片尺寸600x418
家用缝纫机工作原理和故障修理
图片尺寸950x1330
缝纫机的日常保养与加油
图片尺寸487x592
一种模板缝纫机的制作方法
图片尺寸898x1000
100多年前老式缝纫机,零件几百个,传动机构超复杂!
图片尺寸608x768
老式缝纫机知识点汇总
图片尺寸904x1206
6150平车 8700平车 普通直线工业缝纫机 家用
图片尺寸1920x1569
cn112626728a_一种缝纫机
图片尺寸2007x1366
100多年前老式缝纫机,零件几百个,传动机构超复杂!
图片尺寸640x434