自动往返正反转电路图

用实现电机的正反转控制
图片尺寸1275x835
自动往返电拖控制线路
图片尺寸1407x941
小车自动往返电路图
图片尺寸999x625
正反转控制电路
图片尺寸1080x810
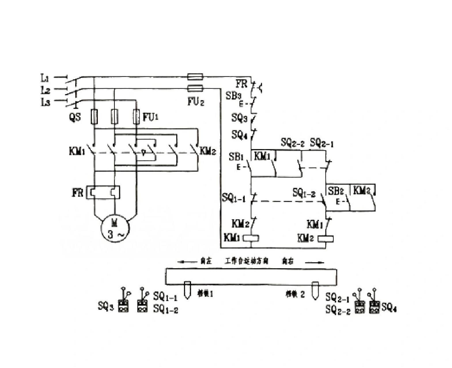
三相电机自动往返行程控制线路电路图解 有些生产机械,如万能铣床
图片尺寸1569x1280
图2-20按钮和接触器双重联锁正反转控制线路_第1页
图片尺寸920x1191
电动机正反转控制电路
图片尺寸562x353
电工实训项目教程09-2三相异步电动机的正反转控制线路
图片尺寸1080x810
电动机正反转控制电路原理及应用
图片尺寸628x370
自动往返控制线路
图片尺寸650x489
正反转控制电路
图片尺寸679x546
小车自动往返控制电路编程自动往返循环控制电路
图片尺寸640x800
限位开关控制自动往返电路原理图解
图片尺寸476x336
行程开关控制电机正反转电路图
图片尺寸652x661
单相电动机顺正反转控制电路图
图片尺寸722x548
求正反转控制线路图
图片尺寸671x681
倒顺开关正,反转控制电路图
图片尺寸665x562
相关主题 你可能喜欢 三相异步电动机正反转控制电路 舵机控制原理
图片尺寸476x540
正反转控制电路
图片尺寸1080x810
电动机自动往返_电工基础知识_电工技术-电工最常见电路
图片尺寸449x343