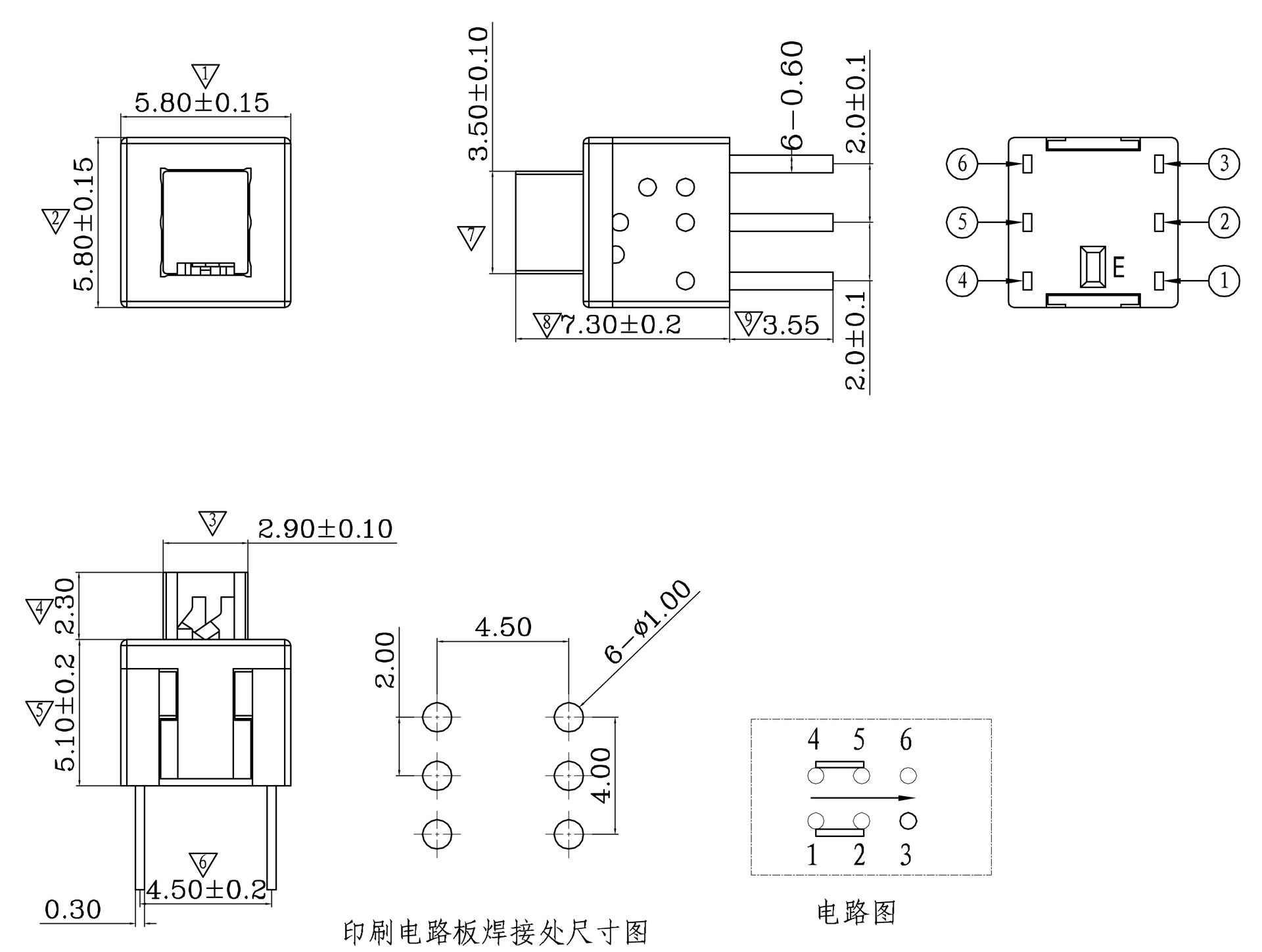
自锁开关引脚图

6引脚自锁开关
图片尺寸759x454
微动开关专家 苏州工业园区思威
图片尺寸1920x1448
6引脚自锁开关
图片尺寸759x344
迷你自锁开关5.8 按钮开关六脚5.8*5.8 平头按键开关六脚双排
图片尺寸677x693
六脚自锁开关的接线方式是如何
图片尺寸600x374
自锁开关双排引脚/侧按式按钮开关6脚/侧按卧式直键开关六脚双排
图片尺寸681x877
8*5.8四脚,6脚贴片平头自锁开关
图片尺寸613x469
四脚自锁开关接线图
图片尺寸747x478
自锁开关贴片式6脚.贴片式自锁按键开关.带锁贴片式按钮开关六脚
图片尺寸552x478
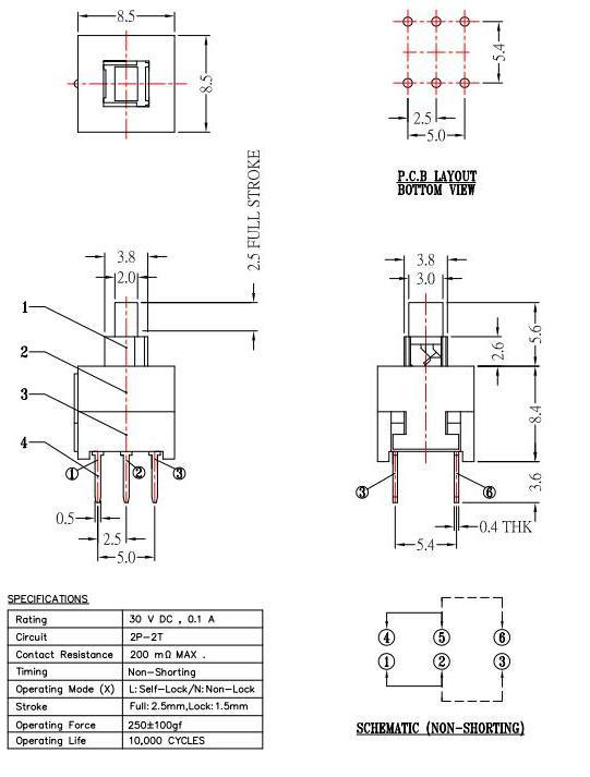
5/迷你自锁开关8*8六脚/六脚自锁按键开关8mm
图片尺寸613x680
自锁开关双路6脚,按键开关双组电路6脚,迷你按钮开关两组8.5mm
图片尺寸852x928
自锁开关8.5.按键开关8.5mm
图片尺寸541x713
自锁开关:kft-8.45×8.45六脚,平头,按键开关,无锁开关
图片尺寸714x462
7*7带锁开关 6脚 10个装
图片尺寸700x494
供应六脚插件自锁开关 8.5*8.5自锁开关 环保自锁开关 现货批发
图片尺寸978x539
一个自锁开关一个急停开关cjx21201接触器跟热继电器控制一台机器怎么
图片尺寸720x540
软件自锁开关电路
图片尺寸1253x774
我画pcb板时用到的一个六脚自锁开关,原理图上我画的引脚接线以及选择
图片尺寸301x405
供应5.8*5.8自锁开关7*7自锁开关8*8自锁开关8.5*8.5自锁开关系列
图片尺寸425x241
8*8六引脚自锁开关 双排直插式封装自锁按键开关
图片尺寸435x251