花键小径

花键连接的类型,特点和应用 1,矩形花键(参数:大径d,小径d, 键宽b,键
图片尺寸1080x810
gb1144矩形花键尺寸公差和检验pdf16页
图片尺寸792x1121
帕克sae内花键尺寸
图片尺寸748x1116
矩形花键的基本尺寸 摘自gb/t 1144—2001 基本尺寸系列 小径 d
图片尺寸1080x810
sae内花键尺寸
图片尺寸920x1302
gb1144矩形花键尺寸公差和检验pdf16页
图片尺寸792x1121
tbi外径8直筒型滚珠花键实心花键空心花键slt08t2
图片尺寸900x595
花键
图片尺寸546x683
外花键的画法和标记 由于花键传递的扭矩大且具有很好的导向性,因而在
图片尺寸640x467
常用矩形花键规格
图片尺寸602x378
ltr20uu滚珠花键套【日本hk】
图片尺寸653x805
矩形花键6×22×25×6是标准的吗?
图片尺寸2287x1080
每日一练23矩形花键花键轴gbt1144solidworks建模画法
图片尺寸650x730
现货1620厂家1415直径花键传动直销其他机械五金新
图片尺寸852x852
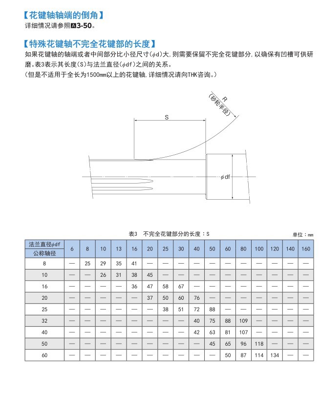
特殊花键轴不完全花键部的长度】如果花键轴的轴端或者中间部分比小径
图片尺寸713x375
外花键的画法和标记 由于花键传递的扭矩大且具有很好的导向性,因而在
图片尺寸640x442
渐开线内花键怎么画
图片尺寸1434x791
圆切角滚珠花键sspt10滚珠花键法兰型
图片尺寸890x1112
gb1104-72渐开线花键
图片尺寸1865x1318
gb1144-1987矩形花键尺寸,公差和检验.rar
图片尺寸800x1133