葫芦图纸

小葫芦的数控车加工工艺设计及手动编程仿真 - 设计方案图纸 - 沐风网
图片尺寸654x830
葫芦的加工 一,图纸
图片尺寸551x487
数控车床实践加工-葫芦
图片尺寸687x515
数控车加工葫芦 编程问题
图片尺寸600x448
数控木工车床加工葫芦型工件只有样品没有图纸尺寸如何编程,狐度如何
图片尺寸780x1040
华中数控机床,设计一个葫芦的程序
图片尺寸377x449
韩国kdl低净空环链电动葫芦
图片尺寸710x301
3吨单钩移动电动葫芦设计cad图纸 计算说明书【a48】
图片尺寸1200x1200
帮忙写个数控车床手工编程制作小葫芦(三节)的程序.急用!谢谢啦.
图片尺寸2592x1936
请问这个葫芦的数控机床编程怎么编
图片尺寸1052x592
求数控机床葫芦的编程代码要求从我发的图变成葫芦记住要代码
图片尺寸960x540
数控车床方面
图片尺寸500x307
仪表 数控编程课程设计说明书 毛坯尺寸62mm×140mm 图1-2葫芦
图片尺寸716x391
cdsmds型冶金用电动葫芦
图片尺寸1574x1011
hc04/05/10 钢丝绳电动葫芦
图片尺寸1157x659
数控车床例题图纸和程序葫芦形状
图片尺寸526x486
cdsmds型冶金用电动葫芦
图片尺寸1293x1137
精雕图葫芦立体图jdp521图片
图片尺寸431x505
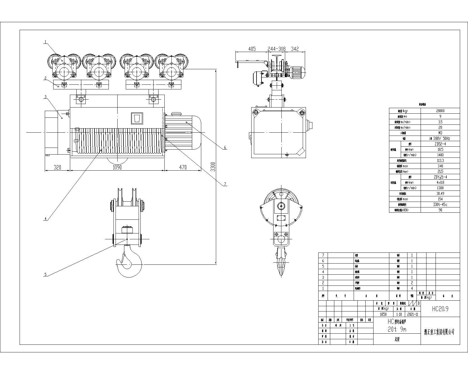
20t豫正重工钢丝绳电动葫芦cd型单速电动葫芦md型双速电动葫芦
图片尺寸1600x1280
这里有一个葫芦数控加工工艺图纸居然还有程序
图片尺寸560x341