蒸汽火车锅炉结构图

科普法国国家铁路高低双压锅炉蒸汽机车尝试2232p1号蒸汽机车
图片尺寸749x464
wns4-1.25-q4吨燃气蒸汽锅炉
图片尺寸888x487
它不像蒸汽火车那种靠烧煤烧水,然后水蒸气推动轮叶,令车跑起来.
图片尺寸770x420
燃气蒸汽锅炉内部缺陷超声波检测浠水县二类压力容器无损检测
图片尺寸800x600
组成部分蒸汽火车主要由四大部分组成:锅炉,汽机,车架走行部分和煤
图片尺寸600x486
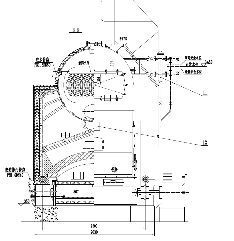
两吨蒸汽锅炉原理图
图片尺寸600x450
一种多孔陶瓷介质燃烧卧式内燃蒸汽锅炉的制作方法
图片尺寸594x388
烟台汇通燃气发展有限公司,为节能环保专业推广,联系电
图片尺寸750x529
卧式燃煤蒸汽锅炉结构图
图片尺寸600x394
燃煤蒸汽锅炉工作的原理及结构图
图片尺寸851x495
szl型双锅筒蒸汽锅炉结构示意图:如下 szl型锅炉系双锅筒纵向布置
图片尺寸770x525
用sw软件画的0-3-0蒸汽火车(轨距45毫米)
图片尺寸1114x661
dzh2125手烧生物质蒸汽锅炉2吨蒸汽锅炉加工定制
图片尺寸820x842
蒸汽锅炉
图片尺寸650x455
江苏燃生物质蒸汽锅炉厂家
图片尺寸1209x593
wns2-1.0 承德燃气蒸汽锅炉
图片尺寸739x459
桥梁蒸养蒸汽锅炉
图片尺寸1231x495
电蒸汽锅炉
图片尺寸600x1001
加工定做烧生物质燃煤两用立式蒸汽锅炉
图片尺寸803x368
wns卧式燃油气蒸汽锅炉
图片尺寸2166x762