蓄能器工作原理

贺德克sb系列皮囊式蓄能器
图片尺寸382x547
泵车蓄能器的工作原理及其基本故障判断和处理
图片尺寸1920x1080
蓄能器的工作原理 - 2020年最新商品信息聚合专区 - 百度爱采购
图片尺寸1631x987
蓄能器ppt
图片尺寸1080x810
蓄热器的工作原理
图片尺寸920x1302
无忧文档 所有分类 自然科学 物理 液压辅助元件ppt (2)活塞式蓄能器
图片尺寸1080x810
厂家大量现货nxq系列蓄能器胶囊 蓄能器皮囊 储能器囊式氮气皮囊
图片尺寸750x979
抽水蓄能电站
图片尺寸960x704
泵车蓄能器的工作原理及其基本故障判断和处理
图片尺寸1920x1080
04气囊式蓄能器的工作过程这是一张气囊蓄能器充放气过程的动图,是不
图片尺寸554x355
用蓄能器的快速运动回路的基本工作原理
图片尺寸631x613
皮囊式蓄能器讲稿
图片尺寸920x1302
用蓄能器的快速运动回路的基本工作原理
图片尺寸611x547
蓄能器系统原理
图片尺寸1080x751
谈谈蓄能器充气压力
图片尺寸554x351
设备组成-蓄电池 蓄电池的基本工作原理----化学反应
图片尺寸1080x810
是电网运行的"稳定器""调节器""平衡器"抽水蓄能电站是目前发展最成熟
图片尺寸1080x768
蓄能器在液压系统中的应用
图片尺寸736x660
活塞式蓄能器与气囊式蓄能器的介绍
图片尺寸456x253
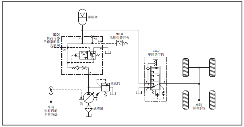
负荷传感蓄能器充液阀单路
图片尺寸794x414