蓝牙简单电路图原理

户外蓝牙音箱如何在两节锂电池74v输出相当铅酸电池12v供电的功率
图片尺寸3098x2026
m38蓝牙模块电路图_蓝牙电路图原理-rfid信息网
图片尺寸600x511
cn1832365a_多功能蓝牙耳机及其实现方法失效
图片尺寸1889x961
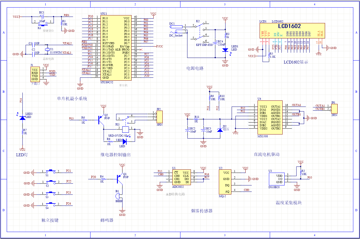
基于单片机的蓝牙控制窗帘电路系统
图片尺寸1237x821
本实用新型提供一种蓝牙充电便携音箱,包括:包括电池管理电路,所述
图片尺寸1772x2338
蓝牙鼠标原理图及程序的简单调试
图片尺寸920x1302
电路原理图:经筛选,本产品使用ams1117的ldo线性稳压芯片,相较于同类
图片尺寸718x260
69 基于stc单片机的蓝牙台灯制作 带源码 原理图 到此,所有的电路
图片尺寸2612x2094
bt8856c实现tws蓝牙耳机的电路原理图免费下载
图片尺寸657x427
带usb充电功能的蓝牙音箱电路原理图免费下载
图片尺寸873x603
图6 : 蓝牙模块之控制电路图
图片尺寸550x327
正点原子atk-hc05蓝牙模块原理图
图片尺寸732x702
单片机蓝牙音箱电路图
图片尺寸1243x821
蓝牙音箱电路图
图片尺寸1188x918
热卖jdy-62 蓝牙立体声模块双通道模块
图片尺寸1324x1062
一个ft2820p1蓝牙音响原理图分享
图片尺寸859x492
蓝牙音频模块负责和手机或电脑蓝牙进行连接,实现蓝牙音频播放的功能.
图片尺寸798x435
文档下载 所有分类 工程科技 电子/电路 > 实验7 蓝牙读卡小音箱原理
图片尺寸1188x918
蓝牙耳机原理图电路
图片尺寸749x479
所述第一晶振电路包括晶体振荡器y1,负载电容c2和负载电容c3,所述蓝牙
图片尺寸1000x507