蜗轮蜗杆减速机设计

单级蜗轮蜗杆减速器装配图.pdf
图片尺寸1135x822
34.蜗轮蜗杆减速器
图片尺寸1318x824
蜗轮蜗杆减速机由蜗轮和蜗杆两大核心部件组成,整体结构设计精巧,体积
图片尺寸2480x1280
图纸来了:涡轮减速器(共8张图纸)#机械设计 #图纸 - 抖音
图片尺寸1440x2194
单级蜗杆减速器设计
图片尺寸1438x1079
wpa蜗轮蜗杆减速机结构
图片尺寸861x487
蜗轮蜗杆减速机由蜗轮和蜗杆两大核心部件组成,整体结构设计精巧,体积
图片尺寸2480x1280
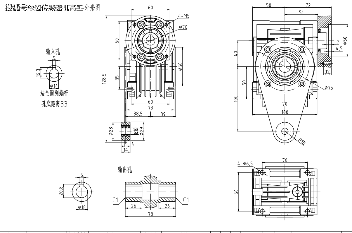
带扭力臂安装的rv040蜗轮蜗杆减速机图纸请查收
图片尺寸1205x796
蜗轮蜗杆减速器装配图
图片尺寸920x1301
一级蜗轮蜗杆(电机-减速器-链轮-工作机)f=7200 v=0.36 d=386.
图片尺寸1200x800
蜗轮蜗杆减速机pmrv
图片尺寸3507x2480
wpdz70蜗轮蜗杆减速机单速减速机, wpdz80, wpdz100, wpdz120 供应
图片尺寸1745x1043
一种温度控制可靠性高的蜗轮蜗杆减速机的制作方法
图片尺寸940x1000
一级蜗轮蜗杆减速器【cad装配图】.zip
图片尺寸2338x1653
蜗轮蜗杆减速机原理
图片尺寸440x608
cwo蜗轮蜗杆减速机
图片尺寸500x500
130环面蜗轮蜗杆减速器zip
图片尺寸2338x1653
蜗轮蜗杆减速机带刹车电机一体sjmrv06380y037kw4p尺寸图纸
图片尺寸862x602
nmrv110减速机 nmrv110蜗轮蜗杆减速机
图片尺寸2422x2930
十组jsq-00蜗杆减速器装配图cad图纸dwg图纸下载(dwg格式)机械cad图纸
图片尺寸1107x755