蜗轮蜗杆运动简图

蜗轮蜗杆旋向相同吗
图片尺寸640x341
下图所示为二级蜗杆传动,蜗杆3的旋向,蜗轮4的转向如图所示,轴i为输入
图片尺寸317x263
蜗杆蜗轮正确啮合条件:蜗杆轴向模数,轴向
图片尺寸537x282
涡轮蜗杆传动作业答案(学生)
图片尺寸1081x812
蜗杆简图 蜗轮蜗杆简图-图片大观-奇异网
图片尺寸2268x1741
四,分析计算题 68 在题68图中,标出未注明的蜗杆(或蜗轮)的螺旋
图片尺寸583x551
姓名: 学号: 二,分析题(共计22分) 1,已知机构运动简图
图片尺寸638x730
第9章 蜗杆传动
图片尺寸813x344
蜗轮蜗杆传动类型简介ppt课件_第3页
图片尺寸920x518
试分析方案Ⅰ,Ⅱ的优点和缺点.
图片尺寸683x311
在蜗杆传动中,蜗杆与蜗轮的螺旋线旋向
图片尺寸357x206
如图所示,一开式蜗杆传动起重机构,蜗杆与蜗轮之间当量摩擦系数fv 0.
图片尺寸809x294
蜗轮蜗杆的结构简图怎么画
图片尺寸619x529
减速器 蜗轮蜗杆
图片尺寸959x1356
试标出图中两种传动形式的蜗杆,蜗轮和齿轮的转向,画出啮合点的受力
图片尺寸731x449
(提示:蜗轮在上,蜗杆在下)
图片尺寸1080x810![在图示的三级传动中,蜗杆所受的轴向力方向是() [图]a.](https://imgs.wantubizhi.com/img/A1A61BAA66193547F3A6DD7D8EE527E94F90236808354112D8066E14374441E7C79A838001C34DBF949EFA540ED0CACBB0929F92E1C76BADC1084CFBA172C4AA5EBF00429A0B054A6D861907407B6F9D36B2D3CA024FE696D093339CEAD74D40)
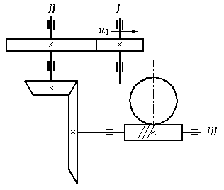
在图示的三级传动中,蜗杆所受的轴向力方向是() [图]a.
图片尺寸316x268
蜗轮蜗杆系统adams建模方法
图片尺寸401x347
蜗杆减速器传动简图
图片尺寸745x503
第1问:蜗杆1和蜗轮2所受的轴向力方向分别为 .
图片尺寸452x324