蜗轮蜗杆cad图

罗升机电第82期丝杆升降机蜗轮蜗杆的检测过程
图片尺寸650x450
涡轮蜗杆,加工制作 数量:50件 交货地:山东济南
图片尺寸480x320
邹军:蜗杆程序案例_搜狐汽车_搜狐网
图片尺寸1080x552
蜗轮蜗杆机构是其核心部件它具有较大的传动比且自锁性能良好
图片尺寸640x502
蔡司三坐标齿轮专题之蜗杆
图片尺寸1601x754
rv蜗轮蜗杆减速机
图片尺寸753x847
sa67a678y11t51空心轴直角蜗轮蜗杆自锁减速机型号尺寸图纸样本非汽车
图片尺寸744x993
s87y100m4s87y112m4s87y160m4转角蜗轮蜗杆减速机型号什么意思非汽车
图片尺寸750x993
双级蜗轮蜗杆减速机选型规格参数
图片尺寸1111x687
wp蜗轮蜗杆减速机选型尺寸
图片尺寸1114x726
在此平面上,蜗杆与蜗轮的啮合类似于齿条与齿轮的啮合,如图3所示,蜗杆
图片尺寸220x115
蜗轮蜗杆的啮合画法
图片尺寸480x203
燕尾滑动体中蜗轮与蜗杆相互位置的测量和控制
图片尺寸1080x869
减速机蜗轮蜗杆15模2模25模3模4模45号钢涡轮蜗杆2模30齿蜗轮蜗杆
图片尺寸750x668
错轴斜齿轮——记得第一次实际接触交错轴斜齿轮,差点给当成蜗轮蜗杆
图片尺寸862x624
它的主要缺点是蜗杆齿与蜗轮齿相对滑动速度大,发热大和磨损严重,传动
图片尺寸250x92
精密双导程蜗杆蜗轮副
图片尺寸220x159
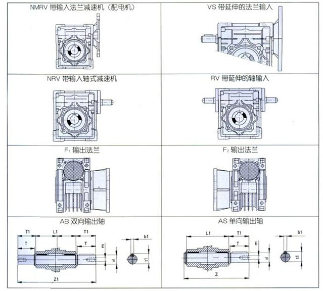
nmrv蜗轮蜗杆减速机_输出_系列_参数
图片尺寸639x576
wd ws普通圆柱蜗杆减速机
图片尺寸250x107
燕尾滑动体中蜗轮与蜗杆相互位置的测量和控制
图片尺寸1080x830