螺钉的画法及标注

薄型内六角圆柱头螺钉
图片尺寸2212x1368
那种平头平尾的自攻螺丝怎么表示
图片尺寸672x640
木螺钉规格尺寸螺钉国标图示及规格说明
图片尺寸693x383
gbt57881986细杆六角头法兰面螺栓b型
图片尺寸2245x1387
双头螺柱连接,螺钉连接画法#制图基础入门教学 #cad画图 - 抖音
图片尺寸1440x2572
螺纹的规定画法标注实例
图片尺寸920x1302
不锈钢内六角螺丝 螺栓 螺杆 m10x16-m10x100.
图片尺寸790x382
gb70-85内六角圆柱头螺钉
图片尺寸2240x2304
螺栓画法大全)
图片尺寸893x393
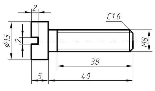
螺钉的标准号为gbt652000选择其规定标记
图片尺寸520x304
gb82388十字槽小盘头螺钉
图片尺寸778x463
双头螺丝
图片尺寸945x522
尺寸标注之螺纹标注的正确方式
图片尺寸619x445
din7500o2007滚花梅花槽圆柱头三角锁紧螺钉
图片尺寸2245x1387
表后标注下列紧固件的尺寸数值,并注写其规定标记 (5)开槽圆柱头螺钉
图片尺寸1080x810
半圆头螺钉,盘头螺钉的规定画法内六角圆柱头螺钉,沉头螺钉,04双头螺
图片尺寸928x511
3*10螺丝 平头 高10mm 直径3mm h1b2
图片尺寸781x442
特价 正宗304不锈钢平头/沉头自攻螺丝钉 gb846自攻木螺钉 m5 m6
图片尺寸327x327
求cad螺丝m22*70图
图片尺寸496x439
5,螺栓装配图的简化发6,沉头螺钉装配图画法7,螺柱连接装配图的比例
图片尺寸735x572