行程开关工作原理
 - 行程开关结构原理图图片尺寸651x327
 - 哪位师傅知道行程开关常开接在哪里?谢谢了 急图片尺寸1336x770
 - 最简单的行程开关控制电路图片尺寸1703x1427
 - 行程开关的组成及原理图片尺寸600x430
 - 行程开关一般是一个电气元件,没有什么原理图,只要画一个常开或常闭图片尺寸720x540
 - 电动机往返行程控制图片尺寸1080x810
 - 行程开关接线图. 向左转  向右转图片尺寸752x581
 - 行程开关ppt图片尺寸1080x810
 - 仅用一个行程开关实现自动往返控制电路图片尺寸553x400
 - 行程开关控制正反转启动电路图片尺寸649x661
 - 2,限位开关控制自动往复电路(2)限位开关控制自动往复电路(1)工作原理图片尺寸476x336
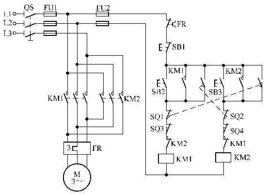
 - > 工作台自动往返行程控制电路工作台自动往返行程控制电路 1,原理图图片尺寸1124x936
 - 欧姆龙d4v-8108sz-n 行程开关 限位开关 d4v-8108z 可调滚珠摆杆图片尺寸749x610
 - 什么是行程开关?行程开关的概念图片尺寸745x726
 - 用一个行程开关控制一个电机,电机供电运行碰一下行程开关电机停二秒图片尺寸720x540
 - 行程开关按结构,可分为按钮式(直动式),滚轮式(旋转式),微动式三种.图片尺寸640x324
 - 带行程开关控制电机电路图图片尺寸615x642
 - 行程开关 行车碰到行程开关电机断电就不向前走了 怎么才能继续接上图片尺寸500x515
 - 滚轮式行程开关原理图片尺寸434x504
 - 简易行程开关接线图图片尺寸1264x733