行走小车控制原理图

4.1.2.小车自动往返运动的梯形图设 小车自动往返运动的梯形图设 计
图片尺寸1080x810
模块二 小车往返运动控制
图片尺寸1388x874
行车电气原理图 行车103fx_01
图片尺寸1311x927
自动往返控制线路
图片尺寸650x489
行车控制电路图原理图
图片尺寸940x557
小车自动往返控制电路编程自动往返循环控制电路
图片尺寸640x800
循迹小车电路图
图片尺寸3565x2355
25t行车电路图
图片尺寸968x987
机电传动控制课程设计(2013秋) 2ppt
图片尺寸1080x810
自动往返控制电路
图片尺寸706x700
三相异步电动机拖动运料小车的控制电路如题41图所示,若时间继电器的
图片尺寸451x446
怎么实现运料小车在ab两点自动往返?a和b点各停留5分钟
图片尺寸1920x1080![电机双速控制和小车自动行程控制.[心][心]](https://imgs.wantubizhi.com/img/ADDA3C5D760C6828B77B505A29D43E8308C07379E52A11A5ED92391FD7A0BFC90148435700F1BCA53DFB087DBBEA8651E4D4F78FEE14D0D3928AAF282E4D84EF4326A58971C7C7D309B119667F6C07C39FF1B5539FF3AEBEEE6D51F9D57056B4)
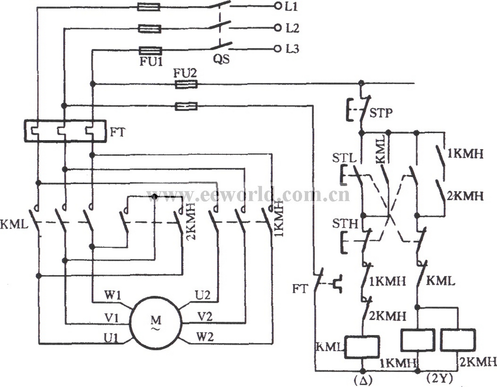
电机双速控制和小车自动行程控制.[心][心]
图片尺寸1644x1280
小车设计 利用红外对管检测黑线与障碍物,并以stc89c52单片机为控制
图片尺寸811x571
柴油机生产车间用行车电气控制系统的制作方法
图片尺寸949x1000
跪求20/5t行车电气原理图,是凸轮控制的,要控制线图.
图片尺寸1201x889
自动往返行程控制ppt
图片尺寸1080x810
电动车控制器电路图(64张图)——电动车系列之三
图片尺寸2241x1646
06,小车限位停止自动延时起动往返运动电路(实物接线仿真图)
图片尺寸1252x696
设计一个送料小车控制电路
图片尺寸532x366