行输出电路原理图

彩电行输出电路图
图片尺寸590x220
1 测试电路原理图
图片尺寸1757x1000
推挽输出电路原理分析
图片尺寸1015x636
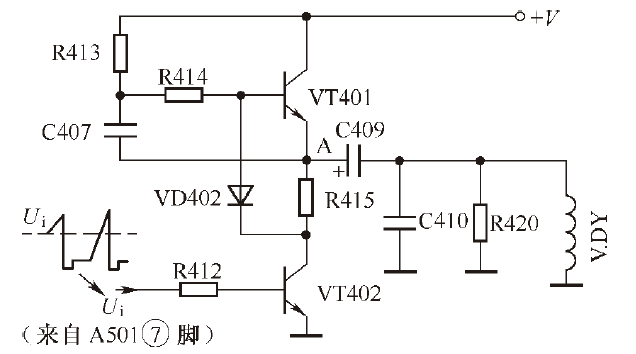
场输出级电路种类较多,其中分流调整型otl 场输出级电路工作原理最
图片尺寸636x354
行输出变压器短路检测器电路
图片尺寸864x551
电视机行输出电路频率,波形完全相同的行输出电路
图片尺寸639x414
一次电路
图片尺寸640x569
二,电路原理图
图片尺寸1071x963
彩电开关电源变压器和行输出变压器工作原理都是工作在高压,高频的
图片尺寸647x217
单片机如何实现 0~10v 输出电路的不同方案
图片尺寸677x460
如何看懂彩电电路图_电子元器件资讯-电子行业新闻资讯-唯样商城
图片尺寸600x446
nal">晶体管输出,这个是 a target="_blank" href="/item/电路/33197"
图片尺寸715x497
请教这个行输出电路原理?
图片尺寸945x1073
发电机晶体管输出电路.png
图片尺寸600x375
彩显行输出变压器工作原理_好坏判断_故障分析-维库电子通
图片尺寸547x282
图4 海信hdp2919ch彩电行输出部分有关电路图
图片尺寸1754x573
2.1 测试电路原理图
图片尺寸1281x1114
2.3 控制电路原理图
图片尺寸1787x936
电源电路(220v交流变成5v直流输出)
图片尺寸1809x1018
运放推动对管输出电路2sa1943 2sc5200 - 24小时必答区
图片尺寸1680x1050