装载机充电电路接线图

充电系统电路图
图片尺寸599x541
启动充电线路图.ppt 5页
图片尺寸1152x864
装载机行驶无低速挡故障的排查机械维修解决方案华强电子网
图片尺寸978x895
欧曼8×4油罐车电源/起动电路分析
图片尺寸2351x1493
clg836装载机原理图ppt
图片尺寸1080x810
50装载机起动马达接线电路图
图片尺寸600x858
电瓶铲车电路
图片尺寸700x422
柴油车充电电路实训装置的制作方法
图片尺寸1000x891
铲车刀闸关了发电机给电瓶还能充电电吗
图片尺寸926x540
20v(或其它值),万用表当电流表,接入电路中,充电时,可设定充电截止
图片尺寸641x630
镍氢镍镉电池充电器原理图_接线图分享
图片尺寸1825x1168
主电路拓扑见图2,配置1个250a直流充电连接装置,提供8个充电模块安装
图片尺寸1469x1043
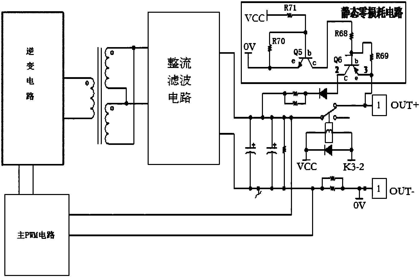
车载充电器静态零损耗电路及车载充电器
图片尺寸1650x1088
汽车电池充电器电路图
图片尺寸943x414
电控汽车充电方式以及控制原理 - 知乎
图片尺寸1264x539
低成本高可靠性的电瓶车充电器电路图
图片尺寸400x228
装载机照明系统都有哪些常见故障,如何检修排除
图片尺寸640x456
机械_电路
图片尺寸1116x651
48v电动汽车充电器原理图
图片尺寸959x678
一种大吨位电动叉车充电控制系统的制作方法
图片尺寸1000x669