负压发生器工作原理图

中心负压原理:真空泵产生负压来吸走医院手术时
图片尺寸750x475
中央负压机组主要由电动机,水循环真空泵,电磁阀,汽水分离器,真空负压
图片尺寸945x520
睿亚真空发生器cv20hscv15cv10counvum负压厂生器cv25cv15带塑料消声
图片尺寸990x554
绥德小周谈维修(5)99%的人不知道,影响增压器使用寿命的关键因素竟然
图片尺寸1108x687
定做妙德型真空发生器cv机械手配件气动件负压发生器pcv15hsc
图片尺寸750x304
简单的负压产生电路
图片尺寸443x314
负压系统工作图车舱内部的压强比外部的低,自然而然外部的空气会"拼命
图片尺寸1024x586
医院负压真空系统
图片尺寸772x331
一种净水用的负压一体式二氧化氯发生器
图片尺寸1723x1843
cn103104810a_一种正/负压气路发生装置有效
图片尺寸1000x598
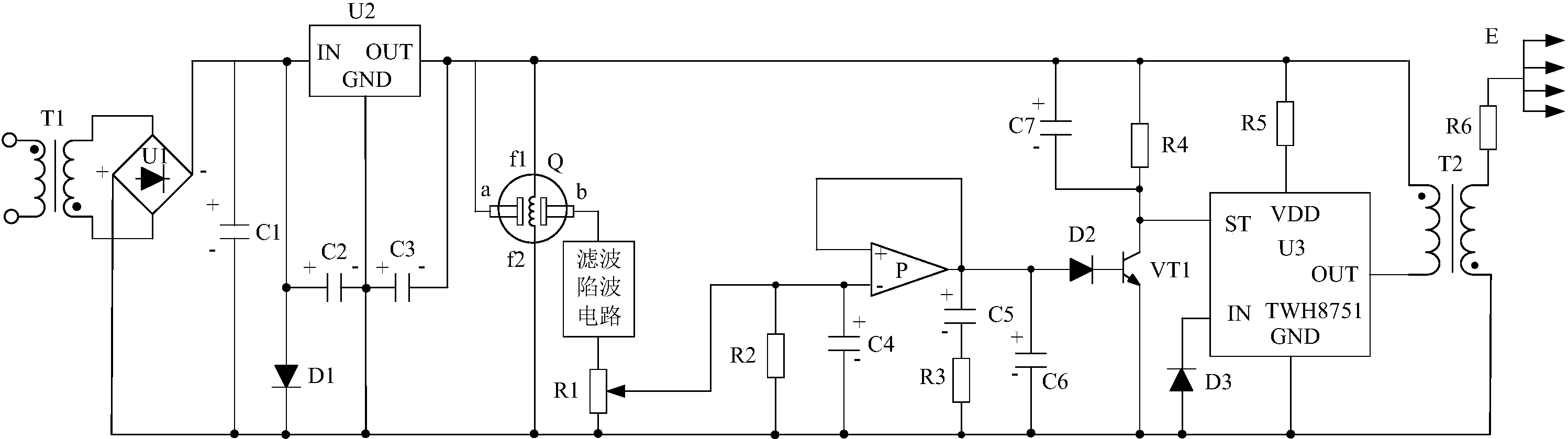
一种基于滤波陷波电路的电压跟随负离子发生器
图片尺寸2995x839
cn1400700a_负离子发生器失效
图片尺寸709x344
负离子高压发生器电路
图片尺寸1735x712
triogen o3 m7-320a负压空气源臭氧发生器的特点和应用_设备_系统
图片尺寸1440x1200
真空发生器的工作原理
图片尺寸1080x810
一种抑制瞬间电流的负离子发生器的电路的制作方法
图片尺寸1000x604
关于真空系统的基础知识
图片尺寸640x337
超简单的负离子高压发生器电路
图片尺寸565x256
直燃机供热原理:封闭在高压发生器中的稀溶液被热源加热后产生负压
图片尺寸682x407
臭氧催化氧化流程图山东久科环保选用知名品牌的臭氧发生器系统,设计
图片尺寸1242x523