贴片78l05引脚图

78l05,78l05 pdf中文资料,78l05引脚图,78l05电路-datasheet-电子工程
图片尺寸827x1169
78l05稳压器引脚配置特点应用领域
图片尺寸650x297
lm78l05
图片尺寸649x625
78l05稳压器引脚配置特点应用领域
图片尺寸500x582
78l05 datasheet pdf - stmicroelectronics
图片尺寸1240x1754
78l05引脚图及电路原理图详解
图片尺寸507x260
请注意lr78m05和lr78l05管脚定义的区别
图片尺寸272x340
mc78l05abp
图片尺寸1025x1381
mc78l05acdr2g线性稳压器芯片中文资料规格书pdf数据手册引脚图参数
图片尺寸449x258
l78l05acutr pdf datasheet浏览和下载
图片尺寸828x1100
贴片三极管cj78l05 功率晶体管 稳压ic 封装sot-89-3l 原装长电
图片尺寸790x1016
热销中njm78l05su33端正向定电压电源jrc授
图片尺寸790x576
78l05 参数 datasheet pdf下载
图片尺寸850x1100
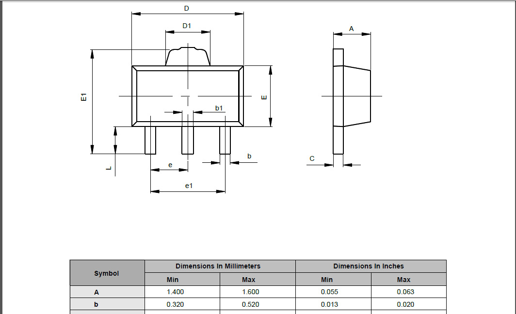
三端稳压管cj78l05贴片sot-89封装 全新现货供应 保障质量 长电
图片尺寸1064x648
> ua78l05aidrg4 (texas instruments)ic reg ldo 5v .
图片尺寸611x791
78l05管脚图引脚图及参数资料
图片尺寸300x424
78l05引脚图怎么判断三端稳压管7879系列工作原理结构分析kiamos管
图片尺寸428x326
78l05引脚图及电路原理图详解-78,79系列管脚判断技巧-kia mos管
图片尺寸467x148
lm78l05 八脚的贴片封装引脚顺序是什么
图片尺寸449x477
新型三端稳压器bl78l05d的详细参数免费下载
图片尺寸468x292