车间设计图纸

速冻面食生产车间设计图纸#食品车间设计#食品厂装修 #净化板
图片尺寸1600x1280
年产6000万片布洛芬分散片生产车间设计
图片尺寸1535x863
🔍 在这张精心设计的车间平面图中,你可以清晰地看到各个生产环节的
图片尺寸1080x1066
车间设计平面布置图
图片尺寸1345x881
在这张充满智慧的图纸上,每个角落都蕴藏着对食品生产与安全的承诺
图片尺寸1280x881
图片尺寸2838x1440
在这个冻干哈密瓜工厂设计全攻略中,我们将提供详细的图纸和指导
图片尺寸1249x876
注塑车间平面规划图ok
图片尺寸1753x1240
饮料车间管路图
图片尺寸2338x1653
食品工厂人流物流布局原则丨附:某肉制品公司车间平面简绘图
图片尺寸964x471
钣金设计展开教程,钣金图纸,钣金资料点击下面
图片尺寸831x483
食品工厂平面图代画
图片尺寸1440x2036
饮料车间平面图
图片尺寸2338x1653
食品工厂人流物流布局原则详解,附车间平面图实例
图片尺寸1039x556
铸造车间改造
图片尺寸1054x675
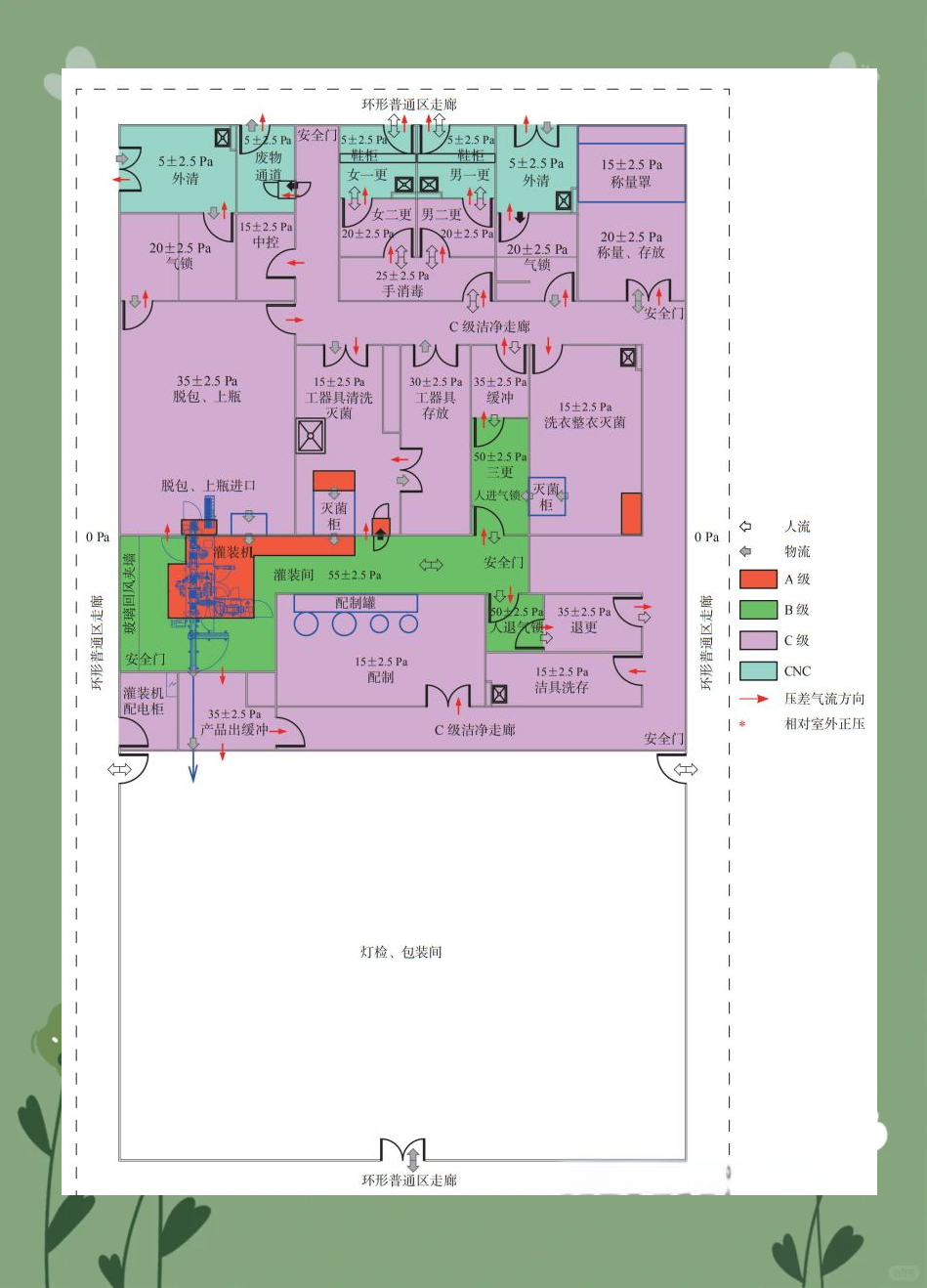
预灌封注射器车间设计:从概念到生产工艺全解析
图片尺寸949x1318
贝诺酯片剂生产车间工艺设计分析
图片尺寸1080x630
茅台——食品生产资质
图片尺寸993x600
年产10万吨酒精工厂车间设计
图片尺寸1920x1080
在这张图上,你可以看到工厂的各个区域分布,如研发中心🔬,生产车间
图片尺寸1177x787